|
|
|
|
|
|
|
|
|
Sumatera Barat |
|
|
|
|
|
|
|
ANTENA YAGI 9 ELEMENT
|
|
.. 1 2 3 4 5 6 7 8 9
a b c d e f g h
|
|
1 |
2 |
3 |
4 |
5 |
6 |
7 |
8 |
9 |
|
103 |
98.0 |
94.0 |
93.5 |
93.0 |
92.5 |
92.0 |
91.5 |
91.0 |
| a | b | c | d | e | f | g | h | |
| 40.0 | 15.0 | 46.0 | 61.0 | 61.0 | 61.0 | 61.0 | 61.0 |
![]()
![]()
![]()
![]()
![]()
![]()
![]()
![]()
|
|
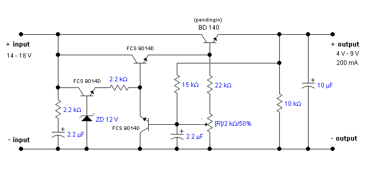
. DC 4 V - 9V REGULATOR
|
|
|
|
|
|
|
|
|
|
|
|
Adaptor 5 Amper untuk HT
|
|
|
|
|
|
|
|
|
|
by : JZ 03 AN
![]()
![]()
![]()
![]()