Fuentes de alimentacion (parte 2)
Hemos visto lo sencillo que resulta el montaje de una simple fuente de alimentación fija en la parte anterior, también se vieron de pasada las fuentes ajustables (fig.2 y fig.3).
El juego de palabras regulada, fija y ajustable, responde a tres conceptos bien diferenciados en la práctica, ya que la parte de regulada, se refiere a la operación interna (del chip) que se encarga de realizar las auto correcciones necesarias para que a la salida entregue la tensión establecida como tal, el término de fija, responde al hecho que representa en sí misma que la tensión de salida no varía en ± lo previsto en las especificaciones del fabricante que puede ser alrededor de 0,05V y por último el término de ajustable evidencia que el usuario puede ajustar la tensión de salida al nivel que en cada momento necesite.
Aclarado el tema, sigamos. En muchas ocasiones necesitamos una fuente de alimentación que nos proporcione más de 1A y esto puede convertirse en un problema que aumenta, si además queremos, por seguridad, que esa cortocircuitable. Bien, el primer paso es de relativa sencillez y lo abordaremos sobre la marcha.
La solución es dopar (añadir) un transistor de potencia o los que sean necesarios para que nos proporcione la corriente deseada.
La función de este transistor de potencia consiste en asumir el hecho de soportar la alta corriente que necesitamos, veamos cómo se realiza esto. Si aplicamos convenientemente la tensión de salida del regulador por ej. de 12V 1A a la base del transistor de potencia, está claro que éste nos proporcionará más corriente a su salida y estará regulada por otra parte debido a que el regulador es cortocircuitable en cierta medida, tenemos la solución deseada.
No obstante, la efectividad que nos proporciona el regulador para la función de cortocircuito, no la podemos dar por buena a la hora de aplicarlo al transistor de potencia, ya que es un circuito añadido y puede que no responda con la rapidez suficiente y para evitar estos inconvenientes, intervendremos en este apartado con un circuito añadido.

Click para ampliar
Fig. 7
Hasta el momento, hemos visto las fuentes de regulación o estabilización fija. En esta parte, vamos a abordar lo que se entiende por una fuente de alimentación regulable y lo que conlleva este hecho.
Las ventajas que aporta una fuente regulable básicamente son, la posibilidad de alcanzar en su salida una tensión continua exacta a la especificada por el circuito examinado o bajo prueba. Esto que en un principio parece una simpleza, no lo es tanto cuando hemos de variar la tensión en niveles de un voltio o incluso menos en ciertos casos y si además necesitamos que dicha fuente sea cortocircuitable, esto puede complicarse un poco.
Una fuente de alimentación sencilla puede ser uno de los ejercicios que mejor ilustran una lección de electrónica práctica y, eso precisamente es lo que vamos a realizar. Proponemos estudiar cómo construir una fuente de alimentación que nos sirva para la mayoría de las aplicaciones que habitualmente venimos realizando en las prácticas de las escuelas, laboratorios y academias de enseñanza sobre electrónica (uf, donde me estoy metiendo).
Vaya por delante mi total respeto por los formadores, una disciplina de los más importante en nuestros días pero tan mal considerada, gracias a ellos los tiempos pueden y de hecho mejoran. Felicitaciones por dar lo que tienen, profesores, sus conocimientos.
Volviendo donde estábamos. En la figura 8, se presenta el esquema de una alimentación cuyas características pueden considerarse amplias en el aspecto de cubrir las necesidades más habituales que se pueden presentar en la mayoría de los casos.
Seguro que en muchas ocasiones hemos necesitado una fuente capaz de suministrar diversas tensiones dentro de un amplio margen de valores. Del mismo modo y por causa de los distintos márgenes de consumo, habría sido útil que dicha fuente incorporara un limitador de corriente ajustable, por ejemplo; para cargar baterías Ni/Cd, es necesario mantener constante la corriente de carga y que fuera cortocircuitable para usarla en circuitos cuyo consumo desconocemos.
Generalmente, para 'cacharrear' es suficiente con una fuente de alimentación sencilla. En algunas aplicaciones será necesario que la corriente suministrada por la fuente sea elevada y en casi todos los casos una fuente regulable de 30V capaz de suministrar 5A será más que suficiente para poder alimentar todos los prototipos y equipos de laboratorio.

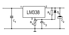
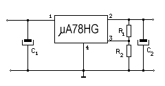
Fig. 8 y 9
En ellas se presenta un esquema de una fuente sencilla construida, entorno a un regulador µA78HG o el LM338, ambos son reguladores ajustables de 5 A y cápsula metálica TO-3.
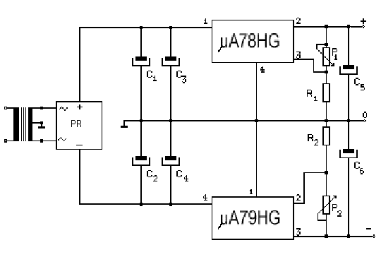
Como decíamos, sin embargo el problema se presenta en el momento de alimentar amplificadores operacionales, los cuales requieren de alimentación simétrica, como los amplificadores de audio con entrada diferencial. Los cuales requieren una alimentación positiva respecto a masa y otra negativa respecto a la misma masa, debiendo ser del mismo valor, de ahí lo de simetría.
Mediante este montaje podremos disponer de una fuente estabilizada y capaz de entregar una corriente de hasta 5A y una tensión regulable de ±5V y ±20V.
El circuito es sencillo debido a la utilización de dos reguladores de tensión los cuales proporcionan al montaje alta fiabilidad, robustez y características casi inmejorables. Uno de los reguladores (µA78HG) se encarga de la rama positiva y el otro (µA79HG), se encarga de la rama negativa.
No pasaremos a contemplar la constitución de cada uno de ellos, ya que consideramos que entra en la parte más teórica y pretendemos ajustarnos a lo esencial y práctico.
El ajuste de la tensión de salida se realiza mediante la actuación sobre un potenciómetro y una resistencia (R2) para mantener el valor mínimo, de 5V que especifica el fabricante. Con el fin de mejorar la respuesta a los posibles transitorios, evitar auto oscilaciones y mejorar el filtrado, se utilizan unos condensadores electrolíticos de baja capacidad a la entrada y salida de cada regulador, como se aprecia en la figura 8.
En la figura 10, se puede apreciar el circuito completo correspondiente
a la fuente de alimentación simétrica.
fig. 10
La tensión suministrada por el secundario del transformador T1, constituido por dos secundarios simétricos (del mismo valor de 24V), se rectifica mediante el puente rectificador PR, y posteriormente se filtra mediante los condensadores electrolíticos idénticos C1 y C2 los cuales se cargarán a la tensión de pico, la tensión obtenida entrada de los reguladores será de aproximadamente 33'8V.
Mediante los potenciómetros P1 y P2 se puede ajustar independientemente la salida de cada regulador al valor deseado, en el margen de 5 a 28V. Los condensadores C5 y C6, mejoran la respuesta de los reguladores frente a los transitorios de conmutación a la salida.
Montaje
El montaje queda reducido y compacto al utilizar un circuito impreso (PCB). Se debe prestar especial atención a no invertir la posición de los condensadores electrolíticos, así mismo, no intercambiar los reguladores, se puede apreciar que los patillajes difieren entre ambos ya que se destruyen inmediatamente.
Las zona de contacto entre los reguladores y el refrigerador debe aislarse e impregnarse de silicona especial que ayudará a disipar el calor, poner especial cuidado en aislar todos los terminales de los mismos ya que igualmente se destruirían.
Los cables de conexión deben ponerse de suficiente sección como para no oponer ninguna resistencia (2 o 3 mm ) y así evitar caídas de tensión en la salida. Para poder controlar en todo momento el valor de la tensión de salida suministrada por la fuente, recomendamos incorporar en la caja dos indicadores (galvanómetros) como voltímetros y dos como amperímetros.
Utilización
Al terminar el montaje, la fuente quedará dispuesta para su inmediata utilización, sin necesidad de ajuste alguno, excepto el ajuste de P1 y P2 para obtener la tensión deseada a la salida.
En caso de cortocircuito, la corriente máxima quedará limitada a 7A
según el propio fabricante evitando de este modo su destrucción. Se recomienda no probar
si esto es cierto, debido al alto costo de estos reguladores y la hipotética posibilidad
de que no actúe el sistema de desconexión interna.