Fuentes de alimentacion (parte 1)
El motivo de estas lecciones no pretende sentar las bases de los
conocimientos sobre electrónica digital. No obstante, si pueden aclarar algunos conceptos
puntuales, que por cualquier motivo no se hayan retenido en su momento, si todo este
trabajo lograra hacer entender un sólo concepto en alguno de los visitantes, ya me daría
por satisfecho. De todos modos, GRACIAS, por anticipado.
En esta ocasión se revisarán los puntos más importantes a tener en cuenta para construir una fuente de alimentación estabilizada, con unas características adecuadas para alimentar un circuito electrónico con especificaciones digitales.
El diseño de fuentes de alimentación estabilizadas mediante reguladores integrados monolíticos (reguladores fijos), resulta sumamente fácil. Concretamente para 1A (amperio) de salida, en el comercio con encapsulado TO-220, se dispone de los más populares en las siguientes tensiones estándar de salida:
| Tipo 1A positivo | Tensión/Salida |
|---|---|
| UA7805 | 5 |
| UA7806 | 6 |
| UA7808 | 8 |
| UA7809 | 9 |
| UA7812 | 12 |
| UA7915 | 15 |
| UA7818 | 18 |
| UA7824 | 24 |
| UA7830 | 30 |
| UA79XX | Versión negativo = |
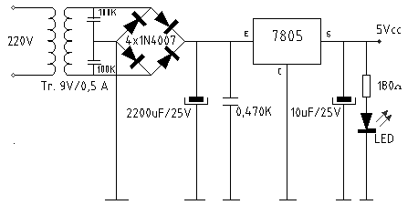
Todos estos reguladores tienen en común que son fijos y que proporcionan adecuadamente refrigerados una corriente máxima, de 1 A. Veremos un ejemplo en el esquema básico de una fuente de alimentación de 5 V y 500 mA en la figura 1.

figura 1
Además de estos, en el mercado se pueden encontrar los reguladores ajustables de tres patillas o más, con diferentes encapsulados en TO-220AB, TO-3 y SIL, según la potencia. Los más populares son los 78MG, LM200, LM317, LM337 y LM338, etc.
Los fabricantes de los reguladores recomiendan que la tensión entregada por el secundario del transformador debe ser como mínimo 3V superior a la tensión nominal del regulador (para un 7812, la tensión del secundario mínima será de 15V o mayor), esto también tiene que ver con la intensidad que se le exija a la salida de la fuente.
El TransformadorEl transformador para una alimentación estabilizada debe ser, un transformador separador, esto quiere decir, que ha de disponer por seguridad, de dos devanados separados galvánicamente (eléctricamente), no es conveniente utilizar los llamados autotransformadores los cuales están construidos por una única bobina o devanado, el cual está provisto de diferentes salidas para obtener varias tensiones de salida, la verdad es que este tipo de 'transfo' actualmente no se ve muy a menudo. Por consiguiente, a la tensión que le queramos pedir a la fuente de alimentación, hemos añadirle alrededor de 3 a 4 Voltios por las caídas de tensión producidas al rectificar y regular en tensión e intensidad si ese es el caso, todo esto como digo, puede tasarse empíricamente (no es el caso) en unos 4 voltios aproximadamente, lo que debe tenerse muy en cuenta.
El Condensador Electrolítico.A la hora de diseñar una fuente de alimentación, hay que tener en cuenta algunos factores, uno de ellos es la corriente que se le va pedir, ya que éste es, el factor más importante después de la tensión. Para determinar el valor del condensador electrolítico que se ha de aplicar a la salida del puente rectificador en doble onda, para alisar la corriente continua; la regla empírica que se suele aplicar, suele estar sobre los 2.000 uF por Amperio de salida y la tensión del orden del valor superior estándar al requerido, o sea, según esto, para una fuente de 1'5 A a 15 V, el condensador electrolítico debe ser de 3.000 uF/35V.
Como se ha mencionado la tensión también se debe sobre dimensionar, ésta debe ser al menos diez unidades mayor que la tensión que se recoja en el secundario del transformador o la más aproximada a ésta por encima (estándar en los condensadores). Este es el margen de seguridad exigible, ya que en muchas ocasiones los valores de tensión a los que se exponen no sólo depende de la tensión nominal, también hay tensiones parásitas que pueden perforar el dieléctrico, en caso de ser muy ajustada la tensión de trabajo y máxime si estamos tratando con una fuente balanceada, este es otro caso.
El ReguladorEn el caso de necesitar corrientes superiores a 1A, pueden utilizarse los reguladores de la serie 78HXX, LM3XX, en cápsula TO-3, capaces de suministrar 5A. El problema reside en que sólo se disponen de 5V, 12V y 15V, que en la mayoría de los casos es suficiente.
En el supuesto de necesitar una tensión regulable (ajustable) desde 1'7V a 24V. El regulador a utilizar podría ser uno de la serie LM317, LM350 o LM338, la diferencia con los anteriores es que el terminal común, en lugar de estar conectado a masa, es del tipo flotante y por lo tanto esto permite ajustarle en tensión.
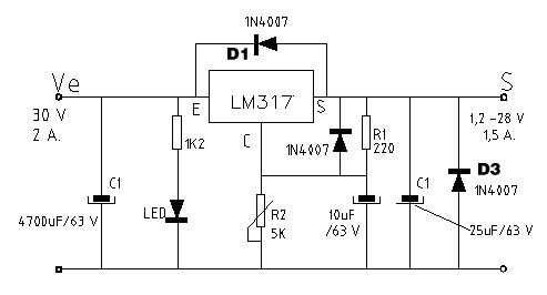
En la figura 2, se presenta el esquema básico mejorado. Los condensadores C1 y C2, se emplean con el fin de eliminar tensiones alternas residuales y el diodo D1, para seguridad del regulador, contra tensiones inversas.

figura 2
Finalmente en la figura 3 se presenta una fuente de alimentación regulable de 1,7 V a 28 V, respetando los valores de la misma. Para evitar dañar el regulador, por exceso de calor, se recomienda refrigerarlo mediante un disipador de aluminio adecuado que se encuentra en los comercios especializados del ramo. El potenciometro ajustable R2, permite ajustar la tensión de salida que se desee en cada momento. El diodo D1, protege al regulador de corrientes inversas, mientras que el diodo D3, evita que una conexión fortuita cause problemas a la fuente por polaridad invertida. Esta fuente de tensión regulada ajustable no dispone de sistema cortocircuitable externo, por lo que habrá que llevar cuidado de no producir ningún cortocircuito.

figura 3
Un circuito integrado bastante utilizado para realizar fuentes de alimentación ajustables, es el popular UA723PC encapsulado DIL de 14 patillas, el cual admite una elevada tensión de entrada de 40V que dopándola puede llegar sobre los 120V dando una salida ajustable entre 2V y 37V a 150 mA, pero en algunos casos como en fuentes para transmisión, se vuelve bastante inestable, por lo que respecta a mi experiencia.
En ciertas revistas especializadas del sector, se pueden encontrar esquemas mucho más elaborados a los que se les puede exigir mayores prestaciones, tales como que, la salida parta de 0V y no de 1'7V, que sea cortocircuitable, ajustable en corriente de salida, entre otras.
Con estos ej. se dispone de unos esquemas sobre fuentes de alimentación reguladas que pueden servir como punto de partida para otros proyectos y porqué no, ellas mismas tal cual, pueden sacarnos de un apuro con unos pocos elementos y un poco de nuestro tiempo.
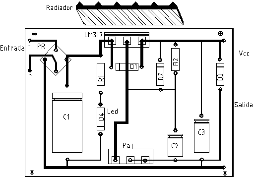
La placa de circuito impreso o PCB, con el puente rectificador y el condensador electrolítico, se pueden apreciar en la figura 4. El regulador LM317, se debe montar directamente sobre el refrigerador, aplicándole silicona de contacto y por seguridad un separador aislante y conectar al PCB mediante hilo de 2 m/m de sección, las pistas de conexión generales se representan con mayor espesor, se ve claramente debe ser de unos 3 m/m de ancho soportan más intensidad, las salidas para el potenciometro que estará en el panel, se harán con hilo de conexión de 1.25 m/m de sección. El led, deberá instalarse en el panel.

figura 4
Los trazos más gruesos, representan las pistas del circuito impreso y son la únicas de la placa pcb.
En ocasiones se necesita una fuente de alimentación regulada con varias tensiones, siendo lo más habitual encontrar en el comercio las tensiones de +12V y -12V. Ahora repasaremos el esquema de una fuente de estas características que nos proporcione a su salida una corriente de 1A en cada salida. Básicamente, utilizaremos dos partes del esquema de la fig. 1.

Click para ampliar
Fig. 5
El transformador necesario, ha de disponer de dos secundarios de 18V y
1,5A, cada uno, como se verá estos están sobre dimensionados por seguridad.
Los puentes rectificadores deben ser del tipo metálico con terminales faston, el terminal
positivo tiene un resalte en la caja a parte de estar marcado al lado de éste. Los
terminales con una (S) deben conectarse cada uno, mediante hilo de sección de 2 m/m a cada
terminal del mismo secundario, el otro rectificador, se conectará de igual modo al otro
secundario del 'transfo', con esto disponemos de dos tensiones más o menos iguales en las
respectivas salidas de ambos rectificadores.
Por otra parte, debemos preparar un dibujo de las pistas que, se ajuste
al esquema adjunto, sobre una placa de fibra de vidrio de manera que nos pueda dar mejores
resultados y sea más fiable. Cada uno puede trazar las pistas como mejor le parezca, pero,
debe guardar ciertas reglas, una de las más importantes es la separación entre pistas no
debe ser inferior a 2 m/m en el peor de los casos, otra es el espesor, debe observarse que
las pista con mayor consumo, han de soportar más paso de corriente y deben ser de mayor
espesor unos 2 o 3 m/m será suficiente para el ej. y procurar trazos lo más cortos
posible, las esquinas sin picos.
Alguien puede decidirse por trazar las pista por el sistema de rombos, cubos y
rectángulos, por que le lleva menos trabajo, aunque esto no es importante. Esto, consiste
en trazar unas líneas entre lo que serán los terminales de los diferentes componentes,
separando de esta manera los trazos que representan las pistas, las dichas líneas, serán
el cobre que se comerá la solución ácida que se emplee para su realización.
Necesitamos tres condensadores electrolíticos (son los que tienen polaridad), con una capacidad en este caso concreto de 2.000 uf/63V, para evitar en lo posible el rizado de alterna, se utiliza esta alta capacidad para más seguridad, cuando se exija el máximo de corriente.
La tensión de +5V, la obtendremos del puente que representa el punto más positivo en el montaje, como se aprecia en el esquema general.
Los reguladores que utilizaremos en esta ocasión, son de 5V y 12V, con las referencias 7805, 7812 y 7912 el encapsulado, del tipo TO220AB, de esta manera se pueden atornillar sobre disipadores diferentes, Atención cada uno por separado, salvo que se disponga entre cada cápsula y el disipador un separador aislante, en este caso puede usarse un disipador único, ya que el terminal central de los reguladores 7812 y 7912, es de signo de tensión diferente y se estropearían inmediatamente si no se respetan estas reglas.

Click para ampliar
Fig. 6
La imagen anterior consta de dos partes, en la superior, el fondo negro, representa el cobre de la placa de fibra de vidrio o baquelita en su caso, las líneas blancas son las separaciones entre componentes, las cuales, es lo que el ácido 'quitará', los trazos de color son las siluetas de los componentes y los cubos blancos son los pads, para las patillas de los componentes, los cuadrados de las esquinas, son para los pasadores de los tornillos que sujetaran la placa al chasis. En la parte inferior se presenta el negativo, visto por la parte de las pistas.
La imagen anterior sólo es una de las tres partes que componen el
circuito general de la figura 1, al hacerlo de este modo, podremos disponer de más
libertad al instalarlos en una caja que los contenga. Por cierto, atención a la hora de
conectar los diferentes cables de alterna y de salida continua de cada placa a la salida
común.
¡Ojo!. El punto común de masa, se refiere a las tensiones de +12V y -12V, las
cuales se dice que son simétricas, en cambio la salida de +5V es independiente.
Con esto, doy por suficiente la explicación sobre esta fuente regulada fija por hoy, si algún punto no está claro, envíame un e-mail con las dudas.