Electronica digital (parte 3)
En la anterior parte, estudiamos las diferentes opciones que podemos optar, a la hora de ejecutar un diseño que nos permita entrar datos de forma manual, en un sistema digital. Ahora, se trata de su aplicación más concreta.
En ciertos casos, podemos elegir el IC más adecuado para una aplicación, cada situación y la experiencia, nos dirá cual es la más aconsejable o adecuda en ese momento.
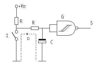
En el caso de tener que aplicar un impulso de conteo en un sistema de control de personas que ingresan en un establecimiento, se tiene que generar con un nuevo circuito. Podemos emplear un simple interruptor adjunto a la puerta de entrada y cada vez que se activa, nos enviará una señal que nos dará el impulso de conteo.
Esta es una posibilidad, también podríamos utilizar una celula eléctrica para que nos proporcione una señal que podamos acondicionar como un impulso, en fin como en nuestro caso no disponemos de la mencionada celula, y sí del interruptor, es evidente, ya que no entran tantas personas en tan breve espacio de tiempo, usaremos el esquema de la figura 4, que volvemos a presentar.

fig. 4
Cualquier teclado sencillo, esta compuesto por sendos pulsadores montados en un bastidor para formar un grupo compacto y robusto. Por el tipo de contacto, se supone que generará los temidos rebotes de las piezas mecánicas que lo constituye y, es aquí donde reside el problema que vamos a abordar.
Crearemos un circuito que elimine los parásitos que suele generar el rebote mecánico de los elementos utilizados en general. El circuito integrado que vamos a utilizar, pertenece a la familia CMOS, por comodidad ya que no exige demadiada exactitud en la tensión de alimentación, cualquier fuente de alimentación de doble onda, de una tensión entre 5 Vcc y 12 Vcc, nos servirá.
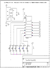
El esquema del teclado presenta un CD40174B, un dispositivo formado por 5 flip-flop D, con reloj común y aclarado común. El equivalente en TTL es el 74LS174.

Fig. 8
El esquema al que nos referimos, es muy simple ya que se trata de utilizar cada una de las 6 entradas D del circuito para gobernar el contacto de un pulsador, obteniendo en la salida Qn correspondiente su señal exenta de parásitos, para lo cual, aprovecharemos la señal de reloj del sistema al cual se conectará el teclado. En el eventual caso, de no disponer de señal de reloj CL, deberá realizarse un sencillo oscilador con un inversor una resistencia de 4k7 ohmios y un condensador de 1uf/63V, de baja frecuencia (sobre 50 ciclos), lo cual debe ser suficiente.
En el esquema siguiente la señal de reloj se ha conseguido mediante un oscilador realizado con un UA555 y unos pocos componentes, los valores de la resistencia R3 y C1 se han escogido con estos valores de 100k para lograr un pulso de salida simétrica.

Click para ampliar
Fig. 9
Y ya tenemos realizado el pequeño teclado. En un proximo tutorial abordaremos un teclado más complejo.