Electronica digital (parte 2)
En electrónica digital es una práctica habitual, tanto en el plano teórico como en el práctico que, todo tipo de señales con las que se trata, son consideradas señales digitales (perfectamente cuadradas), y se da por sentado o por lo menos no se menciona que, estan exentas de rebotes, y aquí reside el primer y quizas el mayor problema para un principiante. No considerar los efectos de los rebotes.
Nunca des por sentado que, la señal que necesitas está exenta de rebotes. ¡ASEGURATE!
Ya que ésta es, como todos debemos saber, la principal fuente de fallos o errores. Si no te aseguras que no hay rebotes, corres el riesgo de no saber si el resultado es el esperado. Por lo tanto:
- Asegurate que la señal está bien generada. Y que un pulso, es uno y no una sucesión de pulsos (un tren de impulsos).
- Comprueba siempre el tipo de lógica que sigue el circuito. Estudia el modo en que trabaja una puerta, para ver si se trata de lógica positiva o negativa.
En principio y solo en principio, un circuito electrónico creado mediante circuitos integrados (IC) estandard, bien sea de la familia TTL o CMOS, suele emplarse en su diseño la lógica positiva.
Aunque es frecuente encontrar lo que se llama lógica mixta, también llamada funcional, que utiliza la lógica positiva y la negativa. Mediente este método, se pueden simplificar los circuitos.
Cuando se trata de un circuito en el que esté incorporado un IC de LSI
(larga escala de integración), en el que talvez lleve un microcontrolador, se puede decir
que, sus E/S y de BUS, se han de realimentar, es decir, tienen que conectarse
a positivo (+Vcc) a través de sendas resistencias (su valor depende de la alimentación
+Vcc, para 5Vcc, sobre 4k7 ohms), de manera que puedan ser excitadas a su nivel, con la
señal que introduzcamos o las puertas que les siguen. La razón para usar este tipo de
realimentación es que, al poner a positivo las E/S, se evitan en parte los parásitos
electrónicos.

figura 2
A continuación, veremos cómo podemos generar un impulso sin rebotes.
De todos es conocido que, al cerrar un interruptor, se produce un rebote mecánico de sus
contactos que no se puede evitar y consecuentemente, estos saltos son lo que producen más
de un cierre del circuito, (esto que en electricidad, tiene una importancia relativa,
cuando se trata de electrónica digital, es un problema muy grave), lo que queríamos era
un único pulso, o sea que ha aparecido el rebote, produciento un número indeterminado de
pulsos, que serán considerados como datos a tratar.
Imaginemos que pretendemos aumentar el contador de tantos de un marcador, en un punto y el
pulsador no está protegido contra los rebotes, es fácil suponer que, no sería posible
añadir un único tanto al mencionado marcador, con las conscuencias que acarreará tal
efecto.
En la siguiente figura, se aprecia lo expuesto.

figura 3
En la figura 3, la señal de la derecha del interruptor, muestra lo que
'realmente' presenta el pulsador (I) a su salida, se puede apreciar que en realidad, se
producen una serie de pícos que el sistema interpretará como otras tantas señales
individuales y esto, no es lo que deseamos.
En la misma figura, se representa una caja con una entrada de Datos y una salida Q,
la cual representa el circuito que evita los rebotes. A su derecha la señal (O), como se
aprecia, en ella existe un primer estado bajo L (pulsador en reposo) - seguido de un estado
alto H (pulsador activo) - para terminar con otro estado bajo L (pulsador en reposo),
formando así el conjunto un pulso. Justo lo que deseabamos, un único pulso.
ESQUEMA DEL CIRCUITO ANTIREBOTE.
Veamos el esquema que podemos usar para proteger un pulsador del efecto
rebote o sea, el circuito antirebote. En electrónica existen una diversidad de formas de
lograr un mismo resultado y todos son buenos, en otras palabras, siempre que el resultado
sea el correcto, no importan los medios utilizados.
Por razones de peso, se debe considerar como mejor circuito, aquel que, utilizando un
mínimo de componentes, de un resultado considerado excelente. En principio se presenta un
circuito en la figura 4, que utiliza un interruptor I, una puerta lógica G (Trigger-Schmitt,
74LS13, CD4093) junto con un condensador electrolítico C cuyo valor se puede aumentar o
reducir (1 uF/63V) y un par de resistencias R de 1k.

figura 4
Al utilizar este circuito, nos vemos obligados a considerar una red con constante de tiempo del condensador C con una de las R y el disparador Schmitt G, para evitar los transitorios parásitos.
El esquema que se ve en la figura 3, en esencia esta basado en la constante de tiempo de carga/descarga formada por el condensador C con la R que lo alimenta, cuya respuesta es escuadrada mediante la puerta disparadora Schmitt G.
ANALISIS:
Al cerrar I, el condensador C, se descargará a través de R (línea a trazos D), hasta la tensión de basculamiento 0,9V para TTL y su salida S, pasará a nivel alto (H). No obstante, cuando se abra I, el condensador se gargará denuevo y cuando su tensión alcance los 1,7V la salida S, basculará a nivel bajo L.
Debido a las caracteristicas del esquema, los rebotes de los contactos mecánicos, no tendrán efecto en la señal de entrada en G ya que cuando éstos se producen, el condensador se está cargando o en el otro caso se está descargando (como ya se vió en la parte 1), con lo que los rebotes serán absorbidos por el condensador.
La capacidad del condensador se podrá aumentar, en función del número de rebotes mecánicos del interruptor. Aunque, no es conveniente que sea muy alto, el efecto de histeresis, puede retrasar demasiado la carga y no podría generar un posterior impulso a tiempo. Normalmente su valor puede estar entre 0,020uf y 1uf o poco más
Un paso más
En el apartado anterior, vimos cómo evitar los rebotes de un interrruptor, un buen procedimiento, si señor; cuando se trata de un interruptor, el cual se caracteriza por que permanece estático en una posición, hasta que decidimos cambiar la misma. El circuito, es muy estable, pero su aplicación no se utiliza muy a menudo debido a que, no puede generar impulsos muy rápidos y a que cambia de estado con solo cambiar el estado del interruptor I.
Si lo que queremos es un sistema más seguro, es decir, que aunque se repita la operación de activarlo, éste no cambie. Hemos de pensar en otro esquema que se base en una especie de memoria.
El sistema que se ajusta a las exigencias especificadas, puede ser la báscula RS, la cual está compuesta por dos puertas realimentadas, NAND, aunque la estudiaremos con puertas NOR según se aprecia en la figura 5, así como su tabla de la verdad.

figura 5
Como ya se vió, el comportamiento de una puerta NOR
realimentada, se puede considerar una célula de memoria, la cual una vez en estado alto H
no pasa a nivel bajo L, mientras no se aplique una señal de puesta a cero PAC
(Reset). De esta manera, se logra una alta seguridad, cuando se utiliza un
conmutador, el circuito, es mucho más estable que en el anterior caso de la figura 4.
Ahora veamos el diagrama de tiempos.

figura 6
Sin embargo, existe un estado de indeterminación según se aprecia en la tabla y sería conveniente disponer de un tipo de báscula que nos asegurara la no indeterminación. La solución pasa por disponer un inversor entre las entradas R y S, esto hará que estas entradas esten en oposición entre sí, evitando el estado de indeterminación.
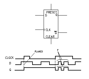
Pero así, tendríamos una sola entrada de datos D, necesitando nuevas entradas en la báscula, para ponerla a 1 (Preset) y de borrado (Clear) para ponerla a 0, además de, una entrada de reloj (CLK).
En la figura 7, podemos apreciar todas estas entradas y las salidas Q
y su complemento, los puntos P en el diagrama, indican que la salida Q sigue
a la entrada D, mientras la señal de CLK esté alta. Además se puede
apreciar un elemento nuevo, el Flanco de subida de la señal de reloj, que en las básculas
establece el momento de intercambio del dato de entrada en D a la salida Q.
En la figura se representa un IC 74LS74 o similar.

figura 7
La diferencia entre el flip-flop D y la báscula D, está relacionado con la forma de utilizar la señal de reloj. Según se dijo, el estado de salida de la báscula aparece, sólo en el instante en que la señal de reloj pasa del nivel lógico bajo al nivel alto, y en ningún otro caso. Es decir con el flanco ascendente del reloj, tal como se aprecia en el diagrama de tiempos en la figura 6.
Es decir, la transición de un dato en la entrada D, a la salida Q, en las básculas D, se produce con el flanco de subida o flanco activo y en un Flip-Flop D, ocurre con el flanco de bajada o flanco de disparo. Esta es, en esencia la más importante diferencia.
Por lo tanto, para evitar las interferencias o rebotes, se optará por usar el sistema más adecuado para cada caso y sobre todo, dependerá del IC que tengamos disponible en ese momento o en todo caso, utilizar las puertas que nos "sobren" en el circuito electrónico general, cosa que es bastante usual. Lo que ahorrará espacio y dará más rendimiento a nuestro trabajo.