El contador digital (parte 2)
En la primera parte, vimos cómo detectar y escuadrar los impulsos que posteriormente se han de contar. Ahora, trataremos el que considero corazón del contador propiamente dicho, es decir, la parte del circuito que se encarga de contar, almacenar y acumular cada pulso al siguiente de la cuenta anterior y si es el caso cambiar de decada, pero sera mejor empezar por el principio.
El circuito básico que se use, dependerá de la tecnología disponible, esto lo podemos apreciar mejor en la tabla siguiente:
| FAMILIA | TIPO | Relación V/C |
| TTL | 74LS192 | + velocidad + consumo |
| CMOS | CD4510B | - velocidad - consumo |
| HCTLS | 74HCTLS192 | + velocidad - consumo |
Atendiendo a que la velocidad es muy importante y en cualquier momento se puede requerir esta capacidad, nos centraremos en la opción de la serie 74HCTLS192 o en su defecto por la 74LS192 ya que se trata del mismo dispositivo, lo único que cambia es el consumo, la tansión de trabajo y poco más.
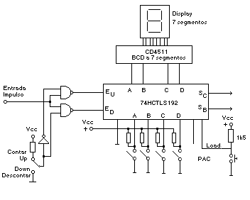
El dispositivo 74HCTLS192, constituye un contador asíncrono reversible con entrada paralela, preparado para efectuar el conteo decimal en código binario BCD.
Para cargar las salidas a un determinado estado, se aplican los datos a las entradas Da, Db, Dc y Dd y se aplica el nivel bajo L a la patilla 11 'load', esta operación de carga es independiente del reloj y del estado del contador.
En la figura 1, se muestra la disposición de las patillas como se puede
ver. Para más información a cerca del funcionamiento de este dispositivo 74HCT192.

El circuito se completará añadiendo 3 puertas NAND correspondientes a
un 74HCTLS00, una de ellas conectada como inversor y unos pocos elementos como 1 pulsador 4
preselecctores, 1 conmutador y unas resistencias de 1k5 y 1/4 W. También se puede hacer
que el contador se ponga a una determinada cuenta de forma automática, esto lo dejo para
que investigue el que este interesado.

Como se desprende del circuito para incrementar el número de dígitos, tan solo habrá que añadir tantos contadores como dígitos se deseen y conectarlos en serie, prescindiendo de las subsiguientes puertas de los nuevos contadores y conectando todas las patillas de carga al mismo pulsador de igual forma que las patillas de PAC.
Por otra parte se encuentran los convertidores de BCD a 7 segmentos, compuesto por un dispositivo de la serie CMOS por ser el más tipico al igual que por ser compatible con los HCT. Esto es si se decide utilizar los dígitos a led como el MAN7 pongo por caso.
Nota.- Si alguien desea hacer una adaptación para presentar la cuenta del contador para tres dígitos mediente un display del tipo plasma, ésta página está abierta a sugerencias y aportaciones de los lectores.
¡¡Animos!!
- Por el momento no hay una tercera parte. -