DEFEITOS RESOLVIDOS DE MANUTENÇÃO DE MONITORES


MONITOR ITAUTEC SVGA MODELO VID.COLOR 28I

Problema: Monitor disparando a proteção interna(led de power piscando).
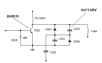
Em muitos monitores, o LED piscando significa um provável curto na alimentação após o transformador da fonte de alimentação chaveada.Em alguns monitores deste modelo foi constatado que o problema era causado pelo capacitorC523(4n7/1.6Kv)que altera sua capacitância para baixo provocando a queima do transitor de saída horizontal T502(BUH515) ficando este em curto.É necessário portanto a troca destes dois componentes.



MONITOR IBM MODELO 6543

Problema: Monitor sem imagem.
Inicialmente , após aberto o monitor, verificou-se a presença de MAT e filamento aceso.Em seguida com a ajuda do osciloscópio detectamos a presença de sinal de vídeo na entrada do CI amplificador de RGB na placa de vídeo.Após aumentar o SCREEN no FLY-BACK apareceu uma linha vertical no centro da tela indicando que não havia sinal de deflexão na bobina horizontal.Olhando as soldas do conector de deflexão percebemos um ponto de solda fria neste conector.Refeita a solda o monitor passou a funcionar normalmente.

MONITOR SAMSUNG SYNCMASTER 3

Problema: Monitor não liga corretamente:sem alta tensão.
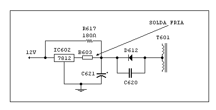
Ao ligar o monitor não se ouvia o indicativo de que o FlyBack estava operando.Ao medir o transistor de saída horizontal Q402(2SC5149) foi constatado que o mesmo estava em curto.Após medir todos os componentes em torno de Q402 ele foi substituído e voltou a queimar.Estudando novamente a placa (base de Q402) não estava presente o sinal de chaveamento por conta da falta da tensão de 12V no circuito oscilador.Na fonte estava a causa do problema:uma solda fria em B603 conforme mostra o esquema:

Refeita a solda e trocado novamente Q402 tudo voltou ao normal.

MONITOR TCE MODELO DX447D

Problema: Sem ajuste de brilho.
Ao selecionar a função de ajuste de brilho verificou-se que o mesmo não estava mudando o valor da grade G1 .Seguindo o circuito a partir do microcontrolador (onde havia mudança de valores) chegou-se até a resistência R621 - 82K , que estava alterada para 240K . Após substituição o ajuste ficou normal.

MONITOR SAMSUNG MODELO CQB4147

Problema: Não liga após cheirar a queimado.
Disparando a proteção : queima do FET IRF9610. Trocado , ficou esquentando muito e a imagem abria de cima para baixo de acordo com a atuação do controle de brilho.Verificando as tensões da fonte , constatou-se que todas estavam alteradas para mais. Após medir vários componentes da fonte fomos verificar a realimentação via foto-acoplador.Medindo OP601(CQY80NG) este estava com a junção base coletor do foto-diodo interno aberta.O mesmo foi trocado por um TIL126.

MONITOR ITAUTEC 15"

Problema: Não ajusta largura , brilho e contraste.
Memória 24C02 regravada .

MONITOR ITAUTEC 15"

Problema: Ao desligar aparece um ponto luminoso que percorre a tela da parte inferior para o centro.
Transistor T516 (BF422) com fuga .R566 (100 ohms) também estava aberto.

MONITOR ITAUTEC 15"

Problema: Largura expandida e sem ajuste.
Transistor T505 (TIP122) em curto.

MONITOR SAMSUNG 550V

Problema: Monitor não liga . Fonte não oscila de maneira alguma .
Capacitor C608 (22 microfarads/50V) apresentando apenas 17 microfarads .Capacitor substituido.

MONITOR DAEWOO CMC-1427X1

Problema: Liga , tem alta tensão mas sem imagem.
Solda fria em D181 : diodo da fonte do filamento.

MONITOR SAMSUNG 550S

Problema: Quadro deslocado para baixo.
Resistor R308 (15Kohms) alterado para 20Kohms.

MONITOR FIVE STAR FS4950/NI

Problema: Em resolução baixa funciona mas em resolução alta não aparece imagem e a alta tensão fica prejudicada juntamente com a delefexão horizontal(aumentanto o screen dá para ver a tela reduzida).
Capacitor C516 (270nF/250V) aberto.

MONITOR FIVE STAR FS4950/NI

Problema: Imagem muito escura.Aumentando o screen a tela fica branca mas a imagem continua fraca e o contraste não atua. Resistor R606(10Kohms) aberto.

MONITOR ITAUTEC 15"

Problema: Sai de sincronismo na resolucao 640x480.
Capacitor C507(470pF) alterado.

MONITOR ITAUTEC 15"

Problema: Luz de power e luz de power saving acesas sem alta tensão.
Solda fria no conector da bobina de deflexão horizontal.

>MONITOR ITAUTEC 15"

Problema: Após ligado logo em seguida imagem estreita e some com alteração do zumbido da frequência horizontal e cheiro de queimado.
Transistores T515(BD140) e T514(BD139) com coletor-emissor em curto.

MONITOR TCE 14" CHASSIS JD144K

Problema: Liga apenas o Led na cor laranja , sem alta tensão.
Após aberto o monitor verificou-se que não havia tensão no CI oscilador (12V). Voltando a trilha até o trafo encontramos Q806(controle da tensão) com solda fria no emissor.


barra

VOLTAR


Página atualizada em 13/05/2005
Hosted by www.Geocities.ws

1 1