What nuts can do!

Special tools
Any restorer knows how difficult it often is to take a rusty bike apart. It is naturally of the utmost importance that all parts be seperated without breaking or marring them since new parts are difficult if not impossible to obtain.
Althoug there are some publications on the market that deal with the particular problems that are encountered ("Restoring and tuning classic motorcycles" by Mr Irving is a good example) it is often the "special tool" problem that gives even the skilled restorer headeachs and as far as I am aware no publication deals with it.
In the following I will give some examples of very easy to manufacture adapters which, in combination with normal workshop tools, such as socket wrenches, serve as special tools.
These adapters are based on normally available nuts and can be made by anyone without special equipment.
Because these adapters are so easy and cheap to manufacture it is often not worth trying pipe-wrenches and other "universal" tools (such as hammer and chisel!!) and thus you won't be tempted to use these kind of tools. 
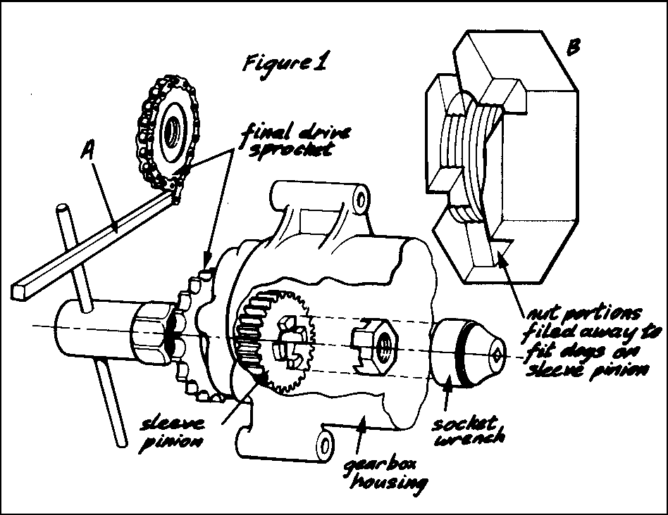
Examples
In Figure 1 an example is given of a mounting of a final drive sprocket on a sleeve pinion. Although in most cases not rusty, the nut which holds the sprocket on the sleeve pinion is tightened up with many footpounds. In particular when you have the gearbox on the workbench it is difficult to hold the final drive sprocket in position. This can of course be done with the tool referred to in Figure 1A, but what to do if there are no teeth left on the sprocket...?


In "Restoring and tuning classic motorcycles" the use of an old dog clutch is proposed to hold the sleeve pinion, but of course not many people have got dog clutches for all the gearboxes that were on the market 30 years or more ago.
The solution is here that you make your own dog clutch out of a nut, big enough to give grip on the entire area of the dog faces. In Figure 1B is shown how portions of the nut are filed away with a square file to fit the dogs on the sleeve pinion.
I tried this method myself on a nut and sprocket (which contrary to the normal conical fit had also a srew thread) which would not come loose by any other means and was very succesful. The use of a pneumatic impact wrench is possible and can be advised for work on the workbench.

In Figure 2A an example in shown of an adapter that I used to tackle the rusty remains of a bottom bracket bearing cup (Figure 2) This adapter is made by drilling two holes of the desired pin diameter at the appropriate distance in a big nut, the hole of which just fits over the shaft. In the drilled holes silver steel pins are inserted. The adapter thus provided is extremely strong and since it can use the shaft as a guide is very easy to work with. If necessary a plastic bush inside the nut hole can be used so as to adapt the size of the hole to the shaft. 

In Figure 3 an example is shown of an adapter that is used for the type of nut shown in Figure 3A. This type of nut is used in some early french gearboxes.



In Figure 4 the nut is filed out to a square so that square nuts or pins can be gripped. This adapter, which is easily hardened, is the answer to square headed brake adjusters, which often because of their deep position, cannot be gripped by open spanners.


Of course other adaptations are possible. However I would like to leave these to the imagination of the interested restorer.

1