PROMOSI KOMPETENSI SISWA(PKS)
SEKOLAH MENENGAH KEJURUAN
TINGKAT NASIONAL KE XII - 2004
BIDANG LOMBA
PLUMBING
DEPARTEMEN PENDIDIKAN NASIONAL
DIREKTORAT JENDERAL PENDIDIKAN DASAR DAN MENENGAH
DIREKTORAT PENDIDIKAN MENENGAH KEJURUAN
2004
The Technical Committee in accordance with the Competition Rules, has adopted the following minimum requirement for trade :
0. Competitor
0.1 Words implying masculine gender only shall include the feminine gender.
0.2 Competitor of each province are to be nominated by a Regional Selection Committee
0.3 Each participating province shall nominate one (1) Competition for each trade competed; and
0.4 Competitor age shall not exceed twenty (20) years at the year of the competition and must still as a student by Senior Technical High school.
1. Name and description of trade
maintenance and repair; the installation of water and effluent
pipes using commercial materials and the appropriate accessories and
appliances.
Scope of Work
practical work.
Knowledge of rules and regulations is not examined.
Practical Work
- Processing commercial materials into a simple installation according to drawings, making use of the necessary technical skill.
- Building up part of water or effluent pipe
- Constructing a sub-assembly of an installation
- Complying with the standard dimensions drawn up
- Measuring and making of appliances and pipe work
- Bending of pipes by pipe bender and by hand with sand
- Soft Soldering, Silver Soldering, jointing with cement/ adhesives
- Connecting by threading ( loose and tight fit ) clamping, compression joints
- Assembly of pipes, appliances and accessories, on a mounting board fixed by means of saddle clamps, flanges of clips, keeping dimensions and alignment as indicated
- Pressure test
Pipe Bending Schedule
|
Hand Bend |
Machine Bend |
Fittings |
|
|
Copper |
Copper |
Copper |
|
|
16 |
X |
X |
X |
|
22 |
X |
X |
X |
to exceed four times the outside diameter of the pipe.Radius of hand bends in copper not
Theoretical Knowledge
according to ISO-standards.
f.i.to Z or X measurements.
Materials
( electric, gas ) with their accessories and safety devices.
water and waste, fitting, sealing and fixing materials.
Workshop Installations
to comply with the drawing.
competitor.
|
Q’ty |
|
|
1 |
|
1 |
|
1 |
|
1 |
|
1 |
|
1 |
|
1 |
|
1 |
|
1 |
|
1 |
|
1 |
competitor
for guidance
|
Q’ty |
|
|
1 |
|
1 |
|
1 |
|
1 |
|
1 |
|
1 |
|
1 |
|
1 |
|
1 |
|
1 |
|
1 |
|
2 |
|
2 |
|
2 |
|
1 |
|
1 |
|
2 |
|
1 |
|
1 |
|
1 |
|
1 |
|
1 |
|
1 |
|
1 |
|
1 |
|
1 |
|
|
|
1 |
|
1 |
|
1 |
Test Project Marking
and the dimensional tolerances on forms 5, 5A and 6, they will prepare
the material list.
pipe.
Item Max. Points
- For each additional meter of pipe 1.0
- For each additional connection 0.5
Full dimension mark ± 2 mm
Full dimension mark ± 4 mm
For all linier dimensions and bend radius.
Hot and cold water pipe work will be tested to 3 bar for 3 minutes. Pressure test scoring will be no leaks full mark for pressure test factor.
1 leak 60 % mark for pressure test factor
2 leak 20% mark for pressure test factor
- not finish
- change the type of joints
- change from HB to MB or vice versa
- use templates
Effective Date
The chairman of the Technical Committee
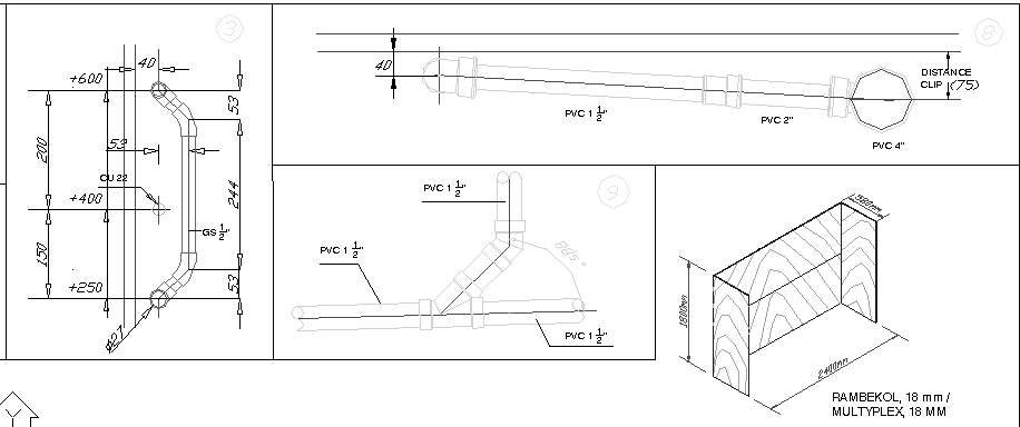
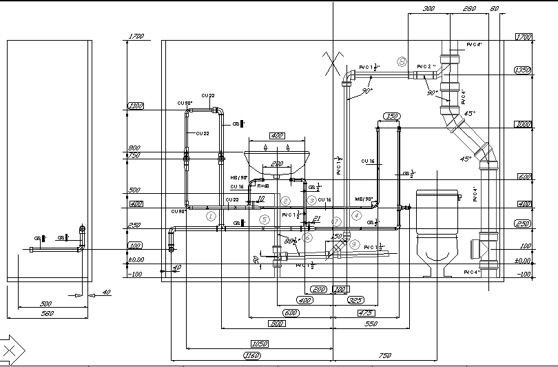
Picture: See Appendix
Appendix
MATERIAL LIST
( per competitor )
Waste Pipe
Cold Water Pipe
Hot Water Pipe
|
Form No : 5 |
No : Calculation Sheet |
||||||||||||||||||||||||||||||||||||||||
|
12th National Skills Competition |
|||||||||||||||||||||||||||||||||||||||||
|
For subjective markings |
Trade No: |
||||||||||||||||||||||||||||||||||||||||
|
Computer No: |
Name: |
Member: |
|
||||||||||||||||||||||||||||||||||||||
|
Subdivision: |
X |
A |
B |
C |
D |
E |
F |
G |
H |
||||||||||||||||||||||||||||||||
|
Piece Position |
Marking Aspect |
Nominal Size |
Score |
Actual Value |
Calculation |
||||||||||||||||||||||||||||||||||||
|
P001 |
|
R 1000 |
2.8 |
||||||||||||||||||||||||||||||||||||||
|
P002 |
|
L 400 |
2.8 |
||||||||||||||||||||||||||||||||||||||
|
P003 |
|
B 1050 |
2.8 |
||||||||||||||||||||||||||||||||||||||
|
P004 |
|
B 800 |
2.8 |
||||||||||||||||||||||||||||||||||||||
|
P005 |
|
400 |
2.8 |
||||||||||||||||||||||||||||||||||||||
|
P006 |
|
B 100 |
2.8 |
||||||||||||||||||||||||||||||||||||||
|
P007 |
|
B 475 |
2.8 |
||||||||||||||||||||||||||||||||||||||
|
P008 |
|
R 400 |
2.8 |
||||||||||||||||||||||||||||||||||||||
|
P009 |
|
R 600 |
2.8 |
||||||||||||||||||||||||||||||||||||||
|
P010 |
|
R 1700 |
2.8 |
||||||||||||||||||||||||||||||||||||||
|
28.0 |
|||||||||||||||||||||||||||||||||||||||||
|
No. |
Expert |
Institution / Industries |
Signature |
||||||||||||||||||||||||||||||||||||||
|
1. |
|||||||||||||||||||||||||||||||||||||||||
|
2. |
|||||||||||||||||||||||||||||||||||||||||
|
3. |
|||||||||||||||||||||||||||||||||||||||||
|
4. |
|||||||||||||||||||||||||||||||||||||||||
|
5. |
|||||||||||||||||||||||||||||||||||||||||
|
|
||||||||||||||||||||||||||||||||||||||||
|
Form No : 5 |
No : Calculation Sheet |
||||||||||||||||||||||||||||||||||||||||
|
For subjective markings |
Trade No: |
||||||||||||||||||||||||||||||||||||||||
|
Computer No: |
Name: |
Member: |
|
||||||||||||||||||||||||||||||||||||||
|
Subdivision: |
A |
X |
B |
C |
D |
E |
F |
G |
H |
||||||||||||||||||||||||||||||||
|
Piece Position |
Marking Aspect |
Nominal Size |
Score |
Actual Value |
Calculation |
||||||||||||||||||||||||||||||||||||
|
SM01 |
|
L 1100 |
1.4 |
||||||||||||||||||||||||||||||||||||||
|
SM02 |
|
B 1160 |
1.4 |
||||||||||||||||||||||||||||||||||||||
|
SM03 |
|
L 100 |
1.4 |
||||||||||||||||||||||||||||||||||||||
|
SM04 |
|
B 200 |
1.4 |
||||||||||||||||||||||||||||||||||||||
|
SM05 |
|
B 600 |
1.4 |
||||||||||||||||||||||||||||||||||||||
|
SM06 |
|
B 400 |
1.4 |
||||||||||||||||||||||||||||||||||||||
|
SM07 |
|
B 325 |
1.4 |
||||||||||||||||||||||||||||||||||||||
|
SM08 |
|
150 |
1.4 |
||||||||||||||||||||||||||||||||||||||
|
SM09 |
|
R 250 |
1.4 |
||||||||||||||||||||||||||||||||||||||
|
SM10 |
|
R 1350 |
1.4 |
||||||||||||||||||||||||||||||||||||||
|
14.0 |
|||||||||||||||||||||||||||||||||||||||||
|
No. |
Expert |
Institution / Industries |
Signature |
||||||||||||||||||||||||||||||||||||||
|
1. |
|||||||||||||||||||||||||||||||||||||||||
|
2. |
|||||||||||||||||||||||||||||||||||||||||
|
3. |
|||||||||||||||||||||||||||||||||||||||||
|
4. |
|||||||||||||||||||||||||||||||||||||||||
|
5. |
|||||||||||||||||||||||||||||||||||||||||
|
|
||||||||||||||||||||||||||||||||||||||||
|
Form No : 5 |
No : Calculation Sheet |
||||||||||||||||||||||||||||||||||||||
|
For subjective markings |
Trade No: |
||||||||||||||||||||||||||||||||||||||
|
Computer No: |
Name: |
Member: |
|
||||||||||||||||||||||||||||||||||||
|
Subdivision: |
A |
B |
X |
C |
D |
E |
F |
G |
H |
||||||||||||||||||||||||||||||
|
Piece Position |
Marking Aspect |
Nominal Size |
Score |
Actual Value |
Calculation |
||||||||||||||||||||||||||||||||||
|
B001 |
CU 22 (left) detail 1 |
450 |
1.0 |
||||||||||||||||||||||||||||||||||||
|
B002 |
CU 16 (left) detail 2 |
450 |
1.0 |
||||||||||||||||||||||||||||||||||||
|
B003 |
GS ¾" detail 5 |
450 |
1.0 |
||||||||||||||||||||||||||||||||||||
|
B004 |
GS ½" detail 7 |
450 |
1.0 |
||||||||||||||||||||||||||||||||||||
|
B005 |
CU 16 (right) detail 4 |
450 |
1.0 |
||||||||||||||||||||||||||||||||||||
|
B006 |
GS ½" detail 3 |
450 |
1.0 |
||||||||||||||||||||||||||||||||||||
|
B007 |
CU 16 (hot) basin |
900 |
1.0 |
||||||||||||||||||||||||||||||||||||
|
B008 |
CU 16 (hot) shower |
900 |
1.0 |
||||||||||||||||||||||||||||||||||||
|
B009 |
PVC 1 ½" |
88 ½ 0 |
1.0 |
||||||||||||||||||||||||||||||||||||
|
B010 |
PVC 1 1/2" |
900 |
1.0 |
||||||||||||||||||||||||||||||||||||
|
10.0 |
|||||||||||||||||||||||||||||||||||||||
|
No. |
Expert |
Institution / Industries |
Signature |
||||||||||||||||||||||||||||||||||||
|
1. |
|||||||||||||||||||||||||||||||||||||||
|
2. |
|||||||||||||||||||||||||||||||||||||||
|
3. |
|||||||||||||||||||||||||||||||||||||||
|
4. |
|||||||||||||||||||||||||||||||||||||||
|
5. |
|||||||||||||||||||||||||||||||||||||||
|
|||||||||||||||||||||||||||||||||||||||
|
Form No : 5 |
No : Calculation Sheet |
||||||||||||||||||||||||||||||||||||||||
|
For subjective markings |
Trade No: |
||||||||||||||||||||||||||||||||||||||||
|
Computer No: |
Name: |
Member: |
|
||||||||||||||||||||||||||||||||||||||
|
Subdivision: |
A |
B |
C |
X |
D |
E |
F |
G |
H |
||||||||||||||||||||||||||||||||
|
Piece Position |
Marking Aspect |
Nominal Size |
Score |
Actual Value |
Calculation |
||||||||||||||||||||||||||||||||||||
|
R001 |
CU 16 (hot) basin |
R60 |
2.0 |
||||||||||||||||||||||||||||||||||||||
|
R002 |
Cu 22 (left) detail 1 |
R70 |
2.0 |
||||||||||||||||||||||||||||||||||||||
|
R003 |
CU 22 (right) detail 1 |
R70 |
2.0 |
||||||||||||||||||||||||||||||||||||||
|
R004 |
CU 16 (right) detail 2 |
R60 |
2.0 |
||||||||||||||||||||||||||||||||||||||
|
R005 |
CU 16 (left) detail 2 |
R60 |
2.0 |
||||||||||||||||||||||||||||||||||||||
|
10.0 |
|||||||||||||||||||||||||||||||||||||||||
|
No. |
Expert |
Institution / Industries |
Signature |
||||||||||||||||||||||||||||||||||||||
|
1. |
|||||||||||||||||||||||||||||||||||||||||
|
2. |
|||||||||||||||||||||||||||||||||||||||||
|
3. |
|||||||||||||||||||||||||||||||||||||||||
|
4. |
|||||||||||||||||||||||||||||||||||||||||
|
5. |
|||||||||||||||||||||||||||||||||||||||||
|
|||||||||||||||||||||||||||||||||||||||||
|
Form No : 5 |
No : Calculation Sheet |
||||||||||||||||||||||||||||||||||||||||
|
For subjective markings |
Trade No: |
||||||||||||||||||||||||||||||||||||||||
|
Computer No: |
Name: |
Member: |
|
||||||||||||||||||||||||||||||||||||||
|
Subdivision: |
A |
B |
C |
D |
X |
E |
F |
G |
H |
||||||||||||||||||||||||||||||||
|
Piece Position |
Marking Aspect |
Nominal Size |
Score |
Actual Value |
Calculation |
||||||||||||||||||||||||||||||||||||
|
L001 |
GS ¾" |
P |
1.2 |
||||||||||||||||||||||||||||||||||||||
|
L002 |
GS ¾" |
L |
1.2 |
||||||||||||||||||||||||||||||||||||||
|
L003 |
GS ½" |
P |
1.2 |
||||||||||||||||||||||||||||||||||||||
|
L004 |
GS ½" |
L |
1.2 |
||||||||||||||||||||||||||||||||||||||
|
L005 |
CU 22 (hot) |
L |
1.2 |
||||||||||||||||||||||||||||||||||||||
|
L006 |
CU 16 (hot) |
P |
1.2 |
||||||||||||||||||||||||||||||||||||||
|
L007 |
PVC 1 ½" (waste) |
P |
1.2 |
||||||||||||||||||||||||||||||||||||||
|
L008 |
PVC 1 ½" (vent) |
P |
1.2 |
||||||||||||||||||||||||||||||||||||||
|
L009 |
PVC 4" |
P |
1.2 |
||||||||||||||||||||||||||||||||||||||
|
L010 |
CU 16 (hot) |
L |
1.2 |
||||||||||||||||||||||||||||||||||||||
|
12.0 |
|||||||||||||||||||||||||||||||||||||||||
|
No. |
Expert |
Institution / Industries |
Signature |
||||||||||||||||||||||||||||||||||||||
|
1. |
|||||||||||||||||||||||||||||||||||||||||
|
2. |
|||||||||||||||||||||||||||||||||||||||||
|
3. |
|||||||||||||||||||||||||||||||||||||||||
|
4. |
|||||||||||||||||||||||||||||||||||||||||
|
5. |
|||||||||||||||||||||||||||||||||||||||||
|
|||||||||||||||||||||||||||||||||||||||||
|
Form No : 5 |
No : Calculation Sheet |
||||||||||||||||||||||||||||||||||||||||
|
For subjective markings |
Trade No: |
||||||||||||||||||||||||||||||||||||||||
|
Computer No: |
Name: |
Member: |
|
||||||||||||||||||||||||||||||||||||||
|
Subdivision: |
A |
B |
C |
D |
E |
X |
F |
G |
H |
||||||||||||||||||||||||||||||||
|
Piece Position |
Marking Aspect |
Nominal Size |
Score |
Actual Value |
Calculation |
||||||||||||||||||||||||||||||||||||
|
No additional pipe and additional connection |
8.0 |
||||||||||||||||||||||||||||||||||||||||
|
|||||||||||||||||||||||||||||||||||||||||
|
|||||||||||||||||||||||||||||||||||||||||
|
No. |
Expert |
Institution / Industries |
Signature |
||||||||||||||||||||||||||||||||||||||
|
1. |
|||||||||||||||||||||||||||||||||||||||||
|
2. |
|||||||||||||||||||||||||||||||||||||||||
|
3. |
|||||||||||||||||||||||||||||||||||||||||
|
4. |
|||||||||||||||||||||||||||||||||||||||||
|
5. |
|||||||||||||||||||||||||||||||||||||||||
|
|||||||||||||||||||||||||||||||||||||||||
|
Form No : 5 |
No : Calculation Sheet |
||||||||||||||||||||||||||||||||||||||||
|
For subjective markings |
Trade No: |
||||||||||||||||||||||||||||||||||||||||
|
Computer No: |
Name: |
Member: |
|
||||||||||||||||||||||||||||||||||||||
|
Subdivision: |
A |
B |
C |
D |
E |
F |
X |
G |
H |
||||||||||||||||||||||||||||||||
|
Piece Position |
Marking Aspect |
Nominal Size |
Score |
Actual Value |
Calculation |
||||||||||||||||||||||||||||||||||||
|
No Leak |
8.0 |
||||||||||||||||||||||||||||||||||||||||
|
4.8 |
||||||||||||||||||||||||||||||||||||||||
|
1.6 |
||||||||||||||||||||||||||||||||||||||||
|
0.0 |
||||||||||||||||||||||||||||||||||||||||
|
No. |
Expert |
Institution / Industries |
Signature |
||||||||||||||||||||||||||||||||||||||
|
1. |
|||||||||||||||||||||||||||||||||||||||||
|
2. |
|||||||||||||||||||||||||||||||||||||||||
|
3. |
|||||||||||||||||||||||||||||||||||||||||
|
4. |
|||||||||||||||||||||||||||||||||||||||||
|
5. |
|||||||||||||||||||||||||||||||||||||||||
|
|||||||||||||||||||||||||||||||||||||||||
|
|
Form No : 5 A |
No : Calculation Sheet |
|||||||||||||||||||||||||||||||||||||||||||
|
For subjective markings |
Trade No: |
||||||||||||||||||||||||||||||||||||||||||||
|
Computer No: |
Name: |
Member: |
|
||||||||||||||||||||||||||||||||||||||||||
|
Subdivision: |
A |
B |
C |
D |
E |
F |
G |
X |
H |
||||||||||||||||||||||||||||||||||||
|
Piece Position |
Weighting Factor (WF) |
Marking Aspect |
Expert Score 0 – 10 |
Calculation |
|||||||||||||||||||||||||||||||||||||||||
|
1 |
2 |
3 |
|||||||||||||||||||||||||||||||||||||||||||
|
2.0 |
Soft soldering |
||||||||||||||||||||||||||||||||||||||||||||
|
3.0 |
Silver soldering |
||||||||||||||||||||||||||||||||||||||||||||
|
3.0 |
Thread |
||||||||||||||||||||||||||||||||||||||||||||
|
1.0 |
Fixing |
||||||||||||||||||||||||||||||||||||||||||||
|
1.0 |
Cleaning |
||||||||||||||||||||||||||||||||||||||||||||
|
No. |
Expert |
Institution / Industries |
Signature |
||||||||||||||||||||||||||||||||||||||||||
|
1. |
|||||||||||||||||||||||||||||||||||||||||||||
|
2. |
|||||||||||||||||||||||||||||||||||||||||||||
|
3. |
|||||||||||||||||||||||||||||||||||||||||||||
|
4. |
|||||||||||||||||||||||||||||||||||||||||||||
|
5. |
|||||||||||||||||||||||||||||||||||||||||||||
|
|
|||||||||||||||||||||||||||||||||||||||||||||
|
Score 0 – 10 |
Formula |
Signature Chief Expert: ..Semarang: . |
|||||||||||||||||||||||||||||||||||||||||||
|
Perfect = 10 points Very good = 9 points Good = 8 points Rather good = 7 points Sufficient = 6 points Medium = 5 points Weak = 4 points Insufficient = 3 points Bad = 2 points Very bad = 1 points Zero = 0 points |
∑ Score x WF CP= ----------------- 5 x Experts |
||||||||||||||||||||||||||||||||||||||||||||
|
Form No : 6 |
No : Calculation Sheet |
||||||||||||||||||||||||
|
For subjective markings |
Trade No: |
||||||||||||||||||||||||
|
Computer No: |
|
Name: |
|
Member: |
|
||||||||||||||||||||
|
Assessment Criteria |
Weighting |
Day 1 |
Day 2 |
Day 3 |
Marks |
||||||||||||||||||||
|
A. |
Primary |
28 |
|||||||||||||||||||||||
|
B. |
Secondary |
14 |
|||||||||||||||||||||||
|
C. |
Bend angles |
10 |
|||||||||||||||||||||||
|
D. |
Bend radii |
10 |
|||||||||||||||||||||||
|
E. |
Pipe inclines |
12 |
|||||||||||||||||||||||
|
F. |
Material |
8 |
|||||||||||||||||||||||
|
G. |
Pressure test |
8 |
|||||||||||||||||||||||
|
H. |
Finish and joints |
10 |
|||||||||||||||||||||||
|
100 |
|||||||||||||||||||||||||
|
No. |
Expert |
Institution / Industries |
Signature |
||||||||||||||||||||||
|
1. |
|||||||||||||||||||||||||
|
2. |
|||||||||||||||||||||||||
|
3. |
|||||||||||||||||||||||||
|
4. |
|||||||||||||||||||||||||
|
5. |
|||||||||||||||||||||||||
|
|
||||||||||||||||||||||||
APPLAINCES FOR EACH COMPETITOR
WOOD SPACER (mm)
|
Type of Pipe |
L (mm) |
W (mm) |
T (mm) |
Number Wood |
|
90 |
25 |
32 |
7 |
|
100 |
25 |
29 |
4 |
|
110 |
25 |
22 |
11 |
|
100 |
25 |
29 |
6 |
|
200 |
25 |
18 |
5 |
|
120 |
25 |
16 |
9 |
|
LIST OF EQUIPMENT, TOOLS AND MATERIALS PLUMBING (TRADE 05) |
||||
|
NO. |
NAME |
DESCRIPTION |
Q’TY |
REMARKS |
|
Working booth |
600 x 2400 x 1800 mm |
20 |
||
|
Work bench |
1800 x 800 x 800 mm with wood work surface |
20 |
||
|
Bucket |
Steel/plastic plate |
20 |
||
|
Plastic container |
Small, plastic for waste material |
40 |
||
|
Electric outlet |
220 V / 15 A, 1 phase |
20 |
||
|
Oxy-acetylene gas welding |
Mobile oxy-acetyline (including nozzle, hoses, carts, cylinder holder, regulator, flame damper ignition spark lighter, welder goggles and gloves) |
20 |
||
|
Soldering equipment |
2,5 kg, complete with torch |
20 |
||
|
Pressure test pump |
0 – 60 bar, 20 L manual |
5 |
||
|
Working vice |
150 mm, with protective jaws mounted on work bench |
20 |
||
|
Pipe vice |
15 mm mounted on work bench |
20 |
||
|
Anvil |
80 kg on base |
5 |
||
|
Screw 1" – 2" |
½" -2" |
20 box |
||
|
Metal plate |
For copper pipe radius |
20 |
||
|
Olie can |
Small ± 200 ml |
20 |
||
|
|
12th NATIONAL SKILLS COMPETITION Semarang – Indonesia, 20 th – 23 th June 2004 Sekretariat : Kantor Dinas Pendidikan dan Kebudayaan Propinsi Jawa Tengah, Jl. Pemuda No. 134 Semarang 50132 Telp. (024) 3515301 Fax. (024) 3520071 |
|
No. |
Name |
Description |
Q’ty |
Supplier |
Reference |
|
Others |
|||||
|
Adhesive |
Quick-dried, for PVC, 500 g |
20 |
|||
|
Brazing material |
Soft solder |
20 |
|||
|
Compound/flux |
Cream type, 250 g |
20 |
|||
|
Metal |
Galvanized, 900 x 900, for template, t : 0.3 |
20 |
|||
|
Paper |
A1 |
60 |
|||
|
Sand paper |
# 320 |
40 |
|||
|
Silver rod |
¥Ö 2.0 / € 3 x 1.2 |
40 |
|||
|
Hanef |
fine |
1 |
|||
|
Sand |
Dia. 0,5 mm |
1 |
|||
|
Olie |
Mesran 1 liter |
5 |
|||
|
Pipe clamp |
For CU 16 |
100 |
|||
|
Pipe clamp |
For GS ½" |
100 |
|||
|
Pipe clamp |
For CU 22 |
80 |
|||
|
Pipe clamp |
For GS ¾" |
120 |
|||
|
|
12th NATIONAL SKILLS COMPETITION Semarang – Indonesia, 20 th – 23 th June 2004 Sekretariat : Kantor Dinas Pendidikan dan Kebudayaan Propinsi Jawa Tengah, Jl. Pemuda No. 134 Semarang 50132 Telp. (024) 3515301 Fax. (024) 3520071 |
The following equipment will be made available for expert
|
No. |
Name |
Description |
Q’ty |
Supplier |
Reference |
|
Engineer rule 1000 mm |
1 |
||||
|
Tape rule 5000 mm |
1 |
||||
|
Engineer square 200x300 mm |
1 |
||||
|
Engineer try square |
1 |
||||
|
Spirit level 1800 mm |
1 |
||||
|
Bevel protector |
1 |
||||
|
Vernier clipper |
1 |
||||
|
Shear/straight curve |
1 |
||||
|
Scriber |
1 |
||||
|
Geometry set |
1 |
||||
|
No. |
Name |
Description |
Q’ty |
Supplier |
Reference |
|
Site requirement |
|||||
|
Paper |
1 |
||||
|
Marker |
1 |
||||
|
Clock (wall watch) |
1 |
||||
|
Table |
1 |
||||
|
Chair |
1 |
||||
|
Locker |
1 |
||||
|
White board |
1 |
||||
|
|
12th NATIONAL SKILLS COMPETITION Semarang – Indonesia, 20 th – 23 th June 2004 Sekretariat : Kantor Dinas Pendidikan dan Kebudayaan Propinsi Jawa Tengah, Jl. Pemuda No. 134 Semarang 50132 Telp. (024) 3515301 Fax. (024) 3520071 |
TRADE 05
PLUMBING
COMPETITIONS-SCHEDULE
DAY 1
|
DATE TIME |
ACTIVITIES |
WHERE |
|
07.00 |
Briefing by the Chief Expert |
|
|
08.00 |
Study Period for the competitors |
|
|
08.45 |
Break |
|
|
09.00 |
Competition COMMENCES |
|
|
12.00 |
LUNCHEON |
|
|
13.00 |
Competition |
|
|
17.00 |
END OF DAY 1 |
DAY 2
|
DATE TIME |
ACTIVITIES |
WHERE |
|
07.00 |
Briefing by the Chief Expert |
|
|
07.15 |
Study Period for the competitors |
|
|
07.30 |
Competition COMMENCES |
|
|
12.00 |
LUNCHEON |
|
|
13.00 |
Competition |
|
|
17.00 |
END OF DAY 2 |
DAY 3
|
DATE TIME |
ACTIVITIES |
WHERE |
|
07.00 |
Briefing by the Chief Expert |
|
|
07.15 |
Study Period for the competitors |
|
|
07.30 |
Competition COMMENCES |
|
|
17.00 |
END OF COMPETITION |
APPLAINCES FOR EACH COMPETITOR
WOOD SPACER (mm)
|
Type of Pipe |
L (mm) |
W (mm) |
T (mm) |
Number Wood |
|
90 |
25 |
32 |
7 |
|
100 |
25 |
29 |
4 |
|
110 |
25 |
22 |
11 |
|
100 |
25 |
29 |
6 |
|
200 |
25 |
18 |
5 |
|
120 |
25 |
16 |
9 |
|
LIST OF EQUIPMENT, TOOLS AND MATERIALS PLUMBING (TRADE 05) |
||||
|
NO. |
NAME |
DESCRIPTION |
Q’TY |
REMARKS |
|
Working booth |
600 x 2400 x 1800 mm |
20 |
||
|
Work bench |
1800 x 800 x 800 mm with wood work surface |
20 |
||
|
Bucket |
Steel/plastic plate |
20 |
||
|
Plastic container |
Small, plastic for waste material |
40 |
||
|
Electric outlet |
220 V / 15 A, 1 phase |
20 |
||
|
Oxy-acetylene gas welding |
Mobile oxy-acetyline (including nozzle, hoses, carts, cylinder holder, regulator, flame damper ignition spark lighter, welder goggles and gloves) |
20 |
||
|
Soldering equipment |
2,5 kg, complete with torch |
20 |
||
|
Pressure test pump |
0 – 60 bar, 20 L manual |
5 |
||
|
Working vice |
150 mm, with protective jaws mounted on work bench |
20 |
||
|
Pipe vice |
15 mm mounted on work bench |
20 |
||
|
Anvil |
80 kg on base |
5 |
||
|
Screw 1" – 2" |
½" -2" |
20 box |
||
|
Metal plate |
For copper pipe radius |
20 |
||
|
Olie can |
Small ± 200 ml |
20 |
||
|
No. |
Name |
Description |
Q’ty |
Supplier |
Reference |
|
Others |
|||||
|
Adhesive |
Quick-dried, for PVC, 500 g |
20 |
|||
|
Brazing material |
Soft solder |
20 |
|||
|
Compound/flux |
Cream type, 250 g |
20 |
|||
|
Metal |
Galvanized, 900 x 900, for template, t : 0.3 |
20 |
|||
|
Paper |
A1 |
60 |
|||
|
Sand paper |
# 320 |
40 |
|||
|
Silver rod |
¥Ö 2.0 / € 3 x 1.2 |
40 |
|||
|
Hanef |
fine |
1 |
|||
|
Sand |
Dia. 0,5 mm |
1 |
|||
|
Olie |
Mesran 1 liter |
5 |
|||
|
Pipe clamp |
For CU 16 |
100 |
|||
|
Pipe clamp |
For GS ½" |
100 |
|||
|
Pipe clamp |
For CU 22 |
80 |
|||
|
Pipe clamp |
For GS ¾" |
120 |
|||
The following equipment will be made available for expert
|
No. |
Name |
Description |
Q’ty |
Supplier |
Reference |
|
Engineer rule 1000 mm |
1 |
||||
|
Tape rule 5000 mm |
1 |
||||
|
Engineer square 200x300 mm |
1 |
||||
|
Engineer try square |
1 |
||||
|
Spirit level 1800 mm |
1 |
||||
|
Bevel protector |
1 |
||||
|
Vernier clipper |
1 |
||||
|
Shear/straight curve |
1 |
||||
|
Scriber |
1 |
||||
|
Geometry set |
1 |
||||
|
Site requirement |
|||||
|
Paper |
1 |
||||
|
Marker |
1 |
||||
|
Clock (wall watch) |
1 |
||||
|
Table |
1 |
||||
|
Chair |
1 |
||||
|
Locker |
1 |
||||
|
White board |
1 |
||||
The following list of tools which the competitors could bring is provide
for guidance
|
Q’ty |
|
|
1 |
|
1 |
|
1 |
|
1 |
|
1 |
|
1 |
|
1 |
|
1 |
|
1 |
|
1 |
|
1 |
|
2 |
|
2 |
|
2 |
|
1 |
|
1 |
|
2 |
|
1 |
|
1 |
|
1 |
|
1 |
|
1 |
|
1 |
|
1 |
|
1 |
|
1 |
|
|
|
1 |
|
1 |
|
1 |
Figure :




MATERIAL LIST
( per competitor )
Waste Pipe
Cold Water Pipe
Hot Water Pipe