| ANOTHER STYLE OF ROTOR HEAD |
| The style of rotor head you will find here, is similar
to the one Mr. Taggert used on the Gyrobee.
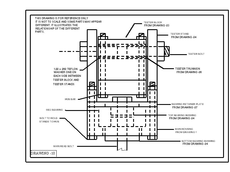
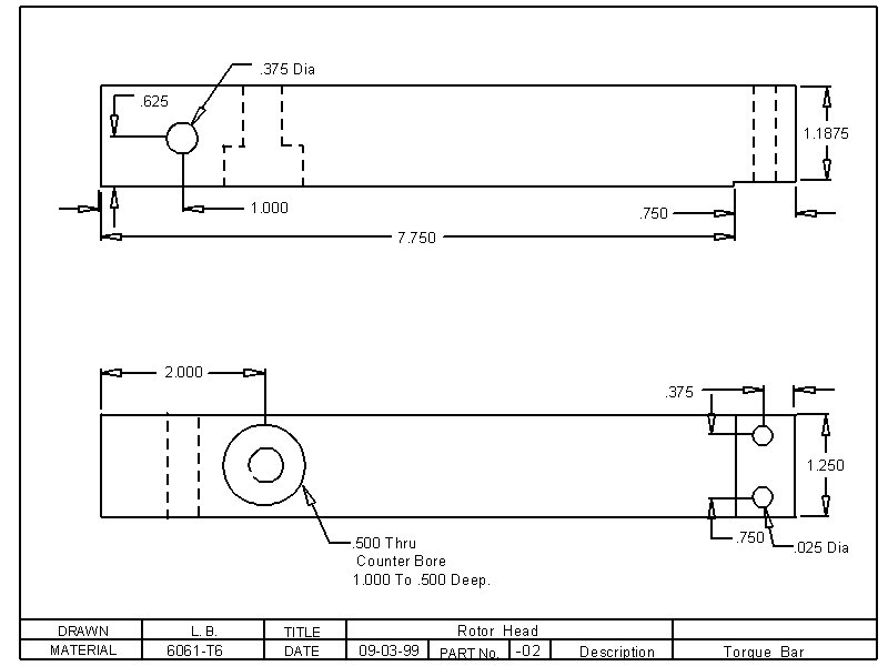
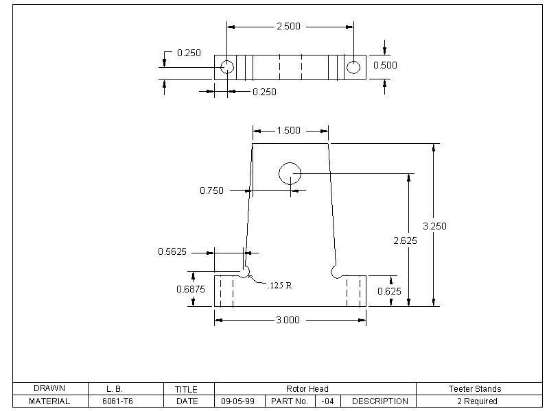
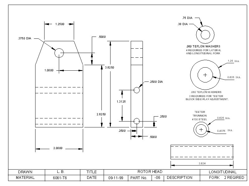
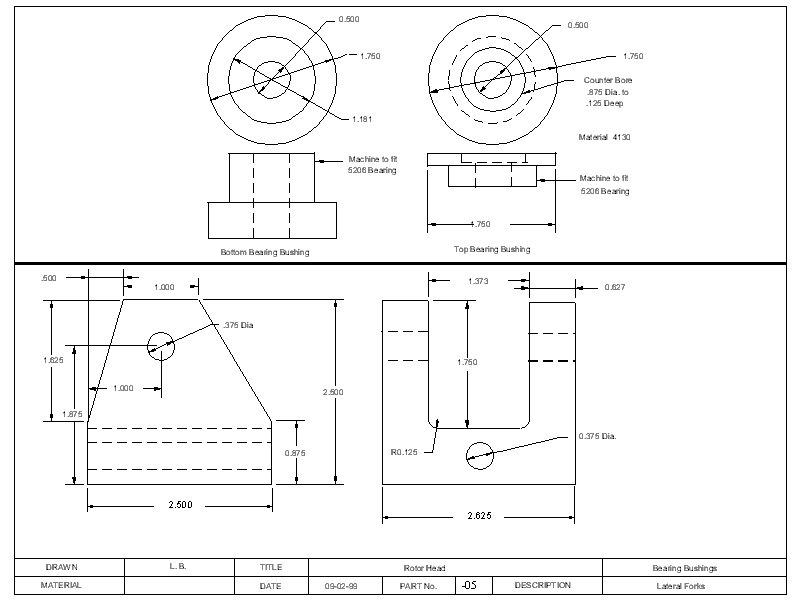
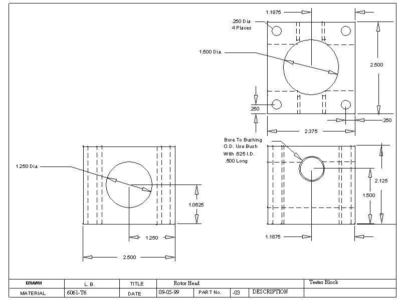
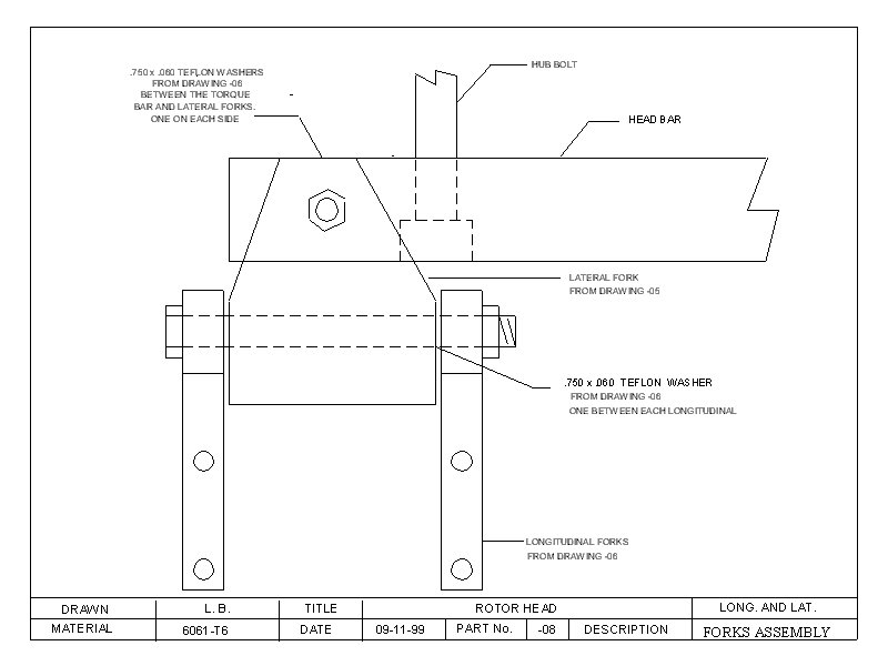
The main difference from the Bensen style is in the main rotor housing. Where the Bensen style uses a square housing this one uses a round one. The other difference is in the way the teeter stands are mounted to the housing. Where the Bensen head uses bolts passing through the housing horizontally this head uses bolts going vertically. There is nothing wrong with ether design. This head would be a little easier to drill for these bolts for the simple fact they are shorter, and distance you have to drill is less. As with the Bensen style head, you should have a fair amount of knowledge pertaining to machine tool operation. I will say that anyone with the required machine tools such as an accurate drill press and a small lathe with a milling attachment, should be able to turn out a safe and workable rotor head. All you have to do is do accurate layout and keep the tolerances tight. I have included a page describing some of the parts and how they are made and fitted together. As with the Bensen style head, if you have any questions please feel free to contact me. I do not in anyway guaranty that a rotor head made from these drawings will be safe for your application. I have made these drawings available to the gyro community as an educational tool only. If you take it upon yourself to make a rotor head from these drawings it is up to you to make sure it is safe to use. |

