O QUE É UM RETIFICADOR ?

Retificadores são dispositivos que apenas permitem a passagem da corrente elétrica num sentido.

Os retificadores mais usuais são constituídos por um só díodo ou um só tirístor, por dois destes componentes, por três, por quatro, por seis. Os retificadores com tirístores permitem regular o valor da tensão na carga, o que não é possível nos que só têm díodos

Vejamos os esquemas elétricos e as formas de onda dos retificadores mais usuais com díodos.

 

Retificador monofásico de meia-onda

 

Retificador monofásico de onda completa

com transformador com ponto médio no secundário

 

Nesta retificação, conduz um díodo em cada alternância. A tensão na carga RL toma a forma da tensão na metade do secundário ligada ao díodo condutor.

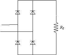
  Retificador monofásico de onda completa de díodos ou em ponte de Graetz

 

  Nesta retificação conduzem dois díodos de cada vez, um do conjunto superior (aquele cuja tensão no ânodo seja maior que as restantes) e um do conjunto inferior (aquele cuja tensão no cátodo seja inferior às restantes).

Nesta retificação conduzem dois díodos em cada alternância. A tensão na carga toma a forma de onda idêntica à do retificador anterior.

 

Retificador trifásico em estrela (ou de meia-onda)

 

Nesta retificação conduz um díodo de cada vez (durante 120º). O díodo condutor é aquele cuja tensão no ânodo é superior às restantes tensões da rede. A tensão na carga toma a forma de onda da tensão simples da rede.

 

Esta retificação apresenta menor ondulação que a monofásica.

 

Retificador trifásico em ponte (ou de onda completa)

 

A forma de onda da tensão na carga toma, em cada intervalo de condução, a forma de onda duma tensão composta da rede. A forma de onda da tensão na carga apresenta o dobro dos picos que na retificação em estrela.

A retificação em ponte tem menos ondulação que a retificação em estrela.

 

Quero saber mais

   

Voltar a O que é ... ?

 

Voltar ao Índice geral

 

Hosted by www.Geocities.ws

1