www.SAP.or.id

    Single Ended Power Amplifier
 

Single Ended Power Amplifier
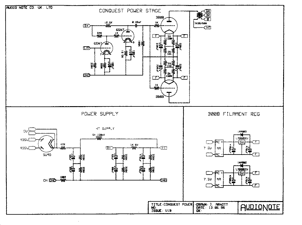
1.    Audio Note Conquest
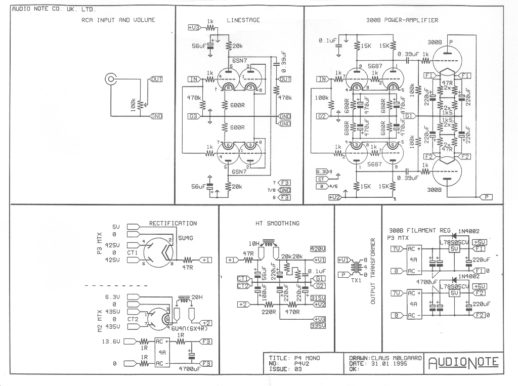
2.   Audio Note P4
3.   Audio Note Ankoru
4.   Audio Note Kit One
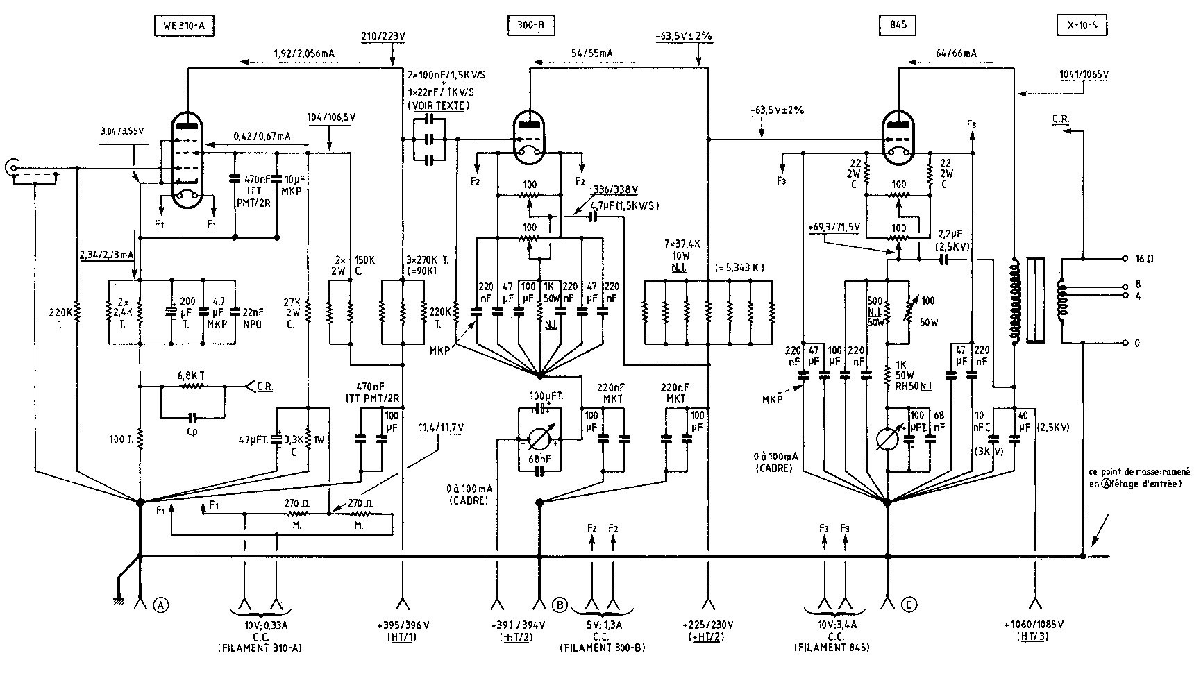
5.   Single Ended 845
6.   Western Electric SE   ( Schematic   &  Parts List)
7.   Orfeo By Ciro Marzio ( Schematic   &  Power Supply )
 
 

 Back to main page
 

Hosted by www.Geocities.ws

1