
Indique cada uno
de los siguientes elementos:
Registros de
propósito general:
Base: __________
Contador: __________
Datos: __________
Puntero de
Pila: _________
Puntero Base: _________
Indice
Origen: __________
Indice
Destino: _________
Registro de
segmentos:
Código:
___________
Pila:
_____________
Datos:
__________
Puntero de
instrucciones: ________

Cual sería la dirección para la
siguiente condición: DS = 3000HEX,
Base = 4000HEX,
DI = 20HEX y offset = 6 HEX

MOVI DI, 0030
MOVI CX, 0400
Siga MOVB AH, [SI]
MOVB [DI], AH
INC SI
INC DI
LOOP siga
La instrucción LOOP decrementa automáticamente CX y salta a siga mientras CX sea diferente de cero.
Este programa se puede simplificar sustituyendo lo que esta en verde por lo que está en azul así:
MOVI SI, 0F30
MOVI DI, 0030
MOVI CX, 0400
REP
MOVC
La instrucción REP indica que se debe repetir la instrucción que le sigue (en este caso MOVC) tantas veces como lo permita el contador CX (el cual se decrementa automáticamente).
La instrucción MOVC mueve un byte entre la dirección dada por SI hasta la dirección dada por DI.
El siguiente programa permite multiplicar dos octetos, donde el multiplicando se encuentra en la dirección dada por SI y el multiplicador en la dirección dada por DI:
MOVI AL, [DI]
MOVI DL, [SI]
MOVI [DI], AL
MOVI [DI+1], AH
La instrucción MULB permite multiplicar dos octetos donde uno debe estar en el acumulador y el resultado lo guarda automáticamente en el acumulador.
Ancho del Bus: 16 bits
Capacidad de
memoria: 1 Mbyte
(20 líneas de dirección)
Este procesador
trabaja con segmentos capaces de direccionar hasta 64Kbytes
y posee cuatro registros para direccionar los segmentos llamados ES, CS, DS y SS. Con estos cuatro registros se tiene un área de
trabajo de 4*64 K = 256K ( lo cual incluye pila, programa, datos y un segmento extra para
cualquiera de los anteriores). Este es el área de trabajo de un programa. En 1 Mbyte se
tienen hasta 4 áreas de trabajo de 256K. Esto permitiría que cuatro programas se estén
ejecutando a la vez sin competir por el área de trabajo, ya que para cada programa se
tendría un espacio de memoria útil de 256K. Esto se conoce como multiprogramación.
Reloj: 6 12.5 MHZ
Ancho del Bus: 16 bits
Capacidad de
memoria: 16 Mbytes
(24 líneas de dirección)
De 3 a 6 veces el
desempeño del 8086.
Memoria virtual: 1 Gigabyte.
Esta razón de
aciertos se mejora con los siguientes factores:

Como se ve el selector permite indexar la tabla de segmentos, para obtener la dirección base del segmento y luego sumarle el desplazamiento (Offset).
Si el segmento no se encuentra en la RAM se busca en el disco duro donde está la memoria virtual.
Veamos a continuación el diagrama de bloques del 80286

Reloj: 16 33 MHZ
Ancho del Bus: 32 bits
Capacidad de
memoria: 4 Gbytes
(32 líneas de dirección)
Memoria virtual: 64 Terabyte (1 Terabyte = 1024 Gbytes).

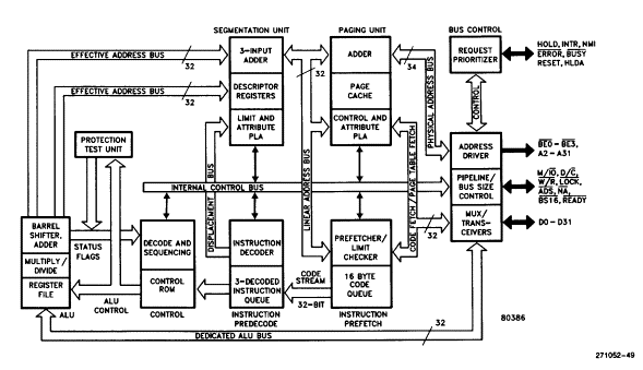
El microprocesador
80386 consiste de dos procesadores: el CPU y el MMU
La Unidad de
Ejecución del CPU consiste de:
La unidad de
instrucciones: Encargada de interpretar las instrucciones con una cola de
instrucciones de 16 bytes y una cola de tres instrucciones ya decodificadas.
La memoria
virtual hace parecer que tiene una capacidad de manejo de 64 Terabytes o 16,384
segmentos de hasta 4 Gbytes por usuario o tarea. Esta memoria virtual se encuentra en el
disco duro.
La unidad de Segmentación posee 6 segmentos de acceso directo (Segment Registers que se encuentran dentro del Descriptor Register), uno para programa, otro para pila y los cuatro restantes para datos donde cada uno puede tener un tamaño máximo de 4 Gbytes. Estos segmentos también sirven como índices para manejar la memoria virtual.

Reloj: 25 50 MHZ
Ancho del Bus: 32 bits
Capacidad de
memoria: 4 Gbytes
(32 líneas de dirección)
Memoria virtual: 64 Terabyte (1 Terabyte = 1024 Gbytes).
Diagrama de bloques del 80486:

Reloj: 60MHZ 1 GHZ (Pentium III)
Ancho del Bus: 64 bits
Capacidad de
memoria: 4 Gbytes
(32 líneas de dirección)
Memoria virtual: 64 Terabyte (1 Terabyte = 1024 Gbytes).
Como mínimo 5
veces el desempeño del 80486
Algunas
características importantes que agrega el Pentiumn son:

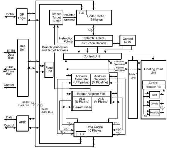
Con el Pentium II
· Se aumento la capacidad de memoria direccionable de 4 a 64 Gigabytes (46 líneas de dirección)
· Se cambió el tamaño de las páginas para ser de 4 Kbytes o 4 Mbytes
· Se permite el procesamiento paralelo simétrico (multiprocesamiento) para dos procesadores juntos (DP Logic)
· Se agrega el APIC (controlador de interrupciones programable) para manejar interrupciones con multiprocesadores.
· Se agrego la unidad MMX (Matrix Math extension) basada en la tecnología SIMD (Single Instruction Multiple Data) que permite aumentar el desempeño sobre una gran gama de aplicaciones de multimedia y comunicaciones. Con esta tecnología se incluyen nuevos tipos de instrucciones y datos que mejoran los algoritmos utilizados para estas aplicaciones. Estas aplicaciones incluyen video MPEG, sintetización de música, compresión de voz, reconocimiento de voz, procesamiento de imágenes, gráficos 3D, video conferencias, aplicaciones de modems y audio.
El Pentium III
incluye además de su memoria cache de nivel 1, una memoria cache de nivel 2 desde 256
Kbytes hasta 2 Mbytes con un bus dedicado de 256 bits entre el procesador y la memoria
cache de nivel 2.

1. Algunas características del Celeron de INTEL
son:
1.1. Cache
nivel 2 de 128 Kbytes
1.2. No
permite multiprocesamiento (solo funciona con un CPU)
1.3. Utiliza un emcapsulamiento económico
1.4. Trabaja con un bus de 66 Mhz (Pentium III
trabaja con un bus de 100 Mhz)
1.5. Su capacidad de direccionamiento es de 4
Gbytes
1.6. Posee
MMX
Bajo que circunstancias recomendaría utilizar un
Celeron: _______________
_________________________________________________(Justifique su respuesta).
2. ¿Cuál fue la principal(es)
contribución(es) a la tecnología de los siguientes procesadores:
2.1. 80286:__________________________________________________
2.2. 80386:__________________________________________________
2.3. 80486:__________________________________________________
2.4. Pentium:
________________________________________________
3. Investigue sobre los últimos aportes que se
han hecho en la tecnología de los microprocesadores con respectos a los revisados en este
documento.
4. ¿Cuál es la ventaja de utilizar la
paginación dentro del concepto de memoria virtual?
__________________________________________________________
5. Explique los siguientes términos:
5.1. Multiprogramación:_________________________________________
5.2. Multiprocesamiento:
________________________________________
5.3. Arquitectura pipeline;
_______________________________________
5.4. Procesamiento simétrico:
____________________________________
5.5. Multitarea:
_______________________________________________
5.6. Dirección lógica:
__________________________________________
5.7. Memoria Virtual:
__________________________________________
5.8. MMU:
___________________________________________________
5.9. MMX:
___________________________________________________