Burr-Brown OPA549 Power Amplifier
I built 2 channels of this power amp and connect it in bridged mode using a simple inverting/non-inverting opamp circuit that feeds the input of the 2 amps. A very good bridging adapter can be found the Rod Elliot's site at http://sound.westhost.com which also has a ton of information and reading articles.
Burr-Brown OPA549 Parts Placement Guide and PCB Foil Pattern

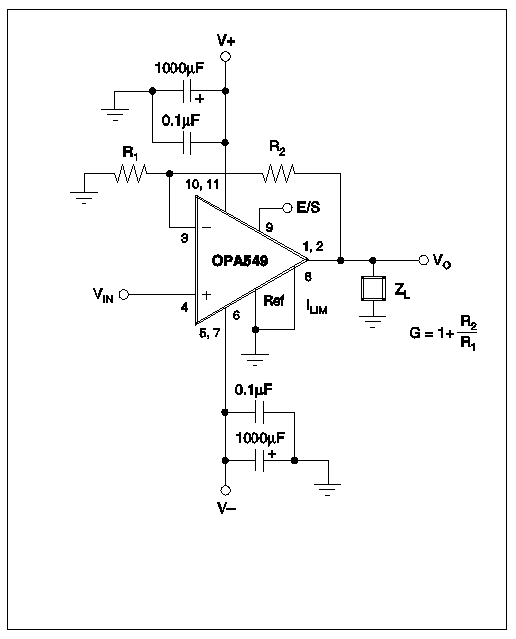
Schematic Diagram

Some pictures of the amp, sorry for the resolution...



The Power Supply used for the amp. I used an 18V-0-18V/10A transformer with 10,000uf per rail capacitors. It also has a regulated +/-15V in the same pcb used for the bridging adapter and the low pass filter circuit.

The sub that the bridged amp powers, 12" Targa Dual 4 Ohm Voice Coil....

The whole test gear, the 2 amps in bridged mode, the bridging adapter (white pcb), the 48dB L-R LPF, and the PSU (behind the heatsink)...
