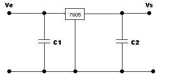
| CI Regulador | Tensão de entrada | Lembramos que estes circuitos integrados possuem proteção interna contra curto, sobrecarga e sobreaquecimento, além de não necessitar de componentes adicionais para efetuar a regulagem. | |
| Minimo | Maximo | ||
| 7805 | 07 | 25 | |
| 7806 | 08 | 25 | |
| 7808 | 10 | 25 | |
| 7810 | 12 | 28 | |
| 7812 | 14 | 30 | |
| 7815 | 17 | 30 | |
| 7818 | 20 | 33 | |
| 7824 | 26 | 38 | |












| VOLTAR |