| Electric shocker | ||||||||
![]() |
||||||||
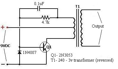
| This is one of my electric shockers. The circuit for it shown below. It is a simple, one transistor design. There is a flash tube at the top of the shocker which has lots of sparks through it to show when the shocker is in operation. The output is enough to give a painful jolt and is nearly impossible to hold on to for more than a second. This shocker was made for fun so that I could shock friends. It is completly safe and the output from it is nothing like a stungun. Stunguns have outputs of 50kV + and are capable of temporarily paralizing whoever is unlucky enough to get shocked by one. |
||||||||
![]() |
||||||||