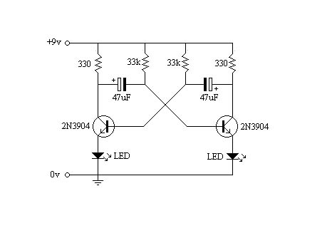
Dual LED flasher circuit
Hosted by www.Geocities.ws

1