| Antenna/Receiver Selector With Impedance selection and Gain |
||||||||||||||||||
| Back Home |
||||||||||||||||||
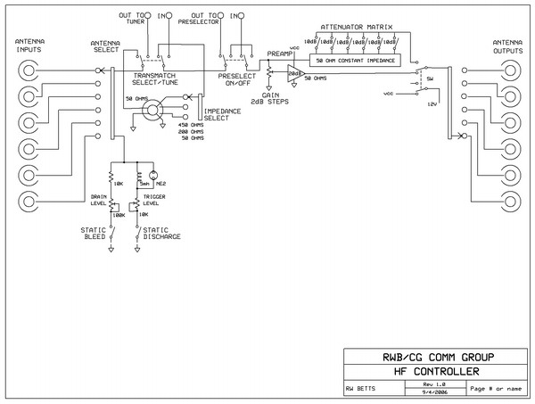
| This magic box allows you to connect any of your antennas to any of your receivers. You can also better match the incoming impedance either with the fixed selector, or through an outboard tuner. You can also add a bit of gain or fixed attenuation in 10db steps. There is also the provision to protect (to some degree) from DC static buildup and RF bursts from nearby strikes [thanks to Rasputin for the inspiration]. Note that the input and output are kept at 50 ohms. It also helps clean up your shack, keeping all the cables centralized, and ending the task of constantly patching cables from one radio to another. | ||||||||||||||||||
![]() |
||||||||||||||||||
| Ooops, the toroid is wired backwards. I'll fix the jpg, eventually. | ||||||||||||||||||
| This is the basic circuit which you should customize to suit your needs. I have built 3 of these in a much simpler form. One resides within the Type-1 Preselector, and the other two have been out on loan ... for way too long. Note how I break the line with switches, two times, between the input toroid (50 ohms input) and the preamp (50 ohms output), so you can add two pair of additional connectors and have a "loop out/in" for a preselector and tuner (transmatch). |
||||||||||||||||||
| In terms of construction, I'd recommend building the following modules in shielded sub-chassis: preamp, attenuator, and toroid. Also, use RG174 coax, or similar to wire the inputs and outputs. | ||||||||||||||||||
| I'll be adding a preliminary sketch of how I invision the panel layout, but you should build yours the way it makes the most sense to you -- with logical and flowing control placement, and minimum of internal wiring crossing. |
||||||||||||||||||
| Back Home |
||||||||||||||||||
| More later -- bye for now. Happy listening. |
||||||||||||||||||
|
||||||||||||||||||