22 Watt Audio Amplifier

 

The 22 watt amp is easy to build, and very inexpensive. The circuit can be used as a booster in a car audio system, an amp for satellite speakers in a surround sound or home theater system, or as an amp for computer speakers. The circuit is quite compact and uses only about 60 watts. The circuit is not mine.

 

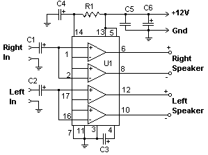
Schematic

 

Parts


Part

Total Qty.

Description

Substitutions

R1

1

39K 1/4 Watt Resistor

 

C1,C2

2

10uf 25V Electrolytic Capacitor

 

C3

1

100uf 25V Electrolytic Capacitor

 

C4

1

47uf 25V Electrolytic Capacitor

 

C5

1

0.1uf 25V Ceramic Capacitor

 

C6

1

2200uf 25V Electrolytic Capacitor

 

U1

1

TDA1554 Two Channel Audio Amp Chip

 

MISC

1

Heatsink For U1, Binding Posts (For Output), RCA Jacks (For Input), Wire, Board

 

 

Notes

1. The circuit works best with 4 ohm speakers, but 8 ohm units will do.

2. The circuit dissipates roughly 28 watts of heat, so a good heatsink is necessary. The chip should run cool enough to touch with the proper heatsink installed.

3. The circuit operates at 12 Volts at about 5 Amps at full volume. Lower volumes use less current, and therefore produce less heat.

4. Printed circuit board is preferred, but universal solder or perf board will do. Keep lead length short.

Hosted by www.Geocities.ws

1