FRB 6 Watt RF Amplifier Kit
Assembley Instructions


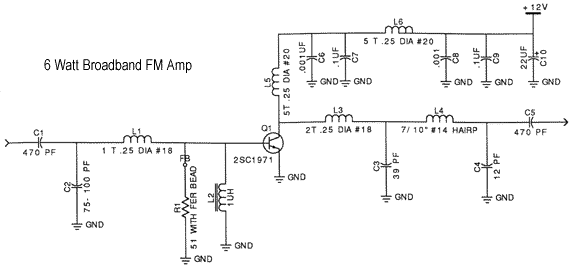
      Assemble by soldering the components to the pads indicated. Keep coil, resistor, and capacitor leads as short as possible. The coils should be 3/16" to 1/4" above the board and separate turns by one wire diameter. Bend leads to form a little mounting foot for soldering to the circuit board. Tuning and power output are affected by the distance between the coil turns, you can make fine adjustments by either spreading or compressing the coil slightly. The area surrounding the pads is ground. C2, C3, C4, C6, C7, C8, C9, C10, L2, and R1 are soldered at one end to ground as well as the shield braid on the coax cables. Bolt Q1 to a small heat sink or the chassis with heat sink thermal compound or gray thermal pad underneath the tab. With an input level of 200-500mw, you should see an output of 5-6 watts. Be sure to have a proper dummy load (50 ohms) or tuned antenna connected to the output, doing otherwise will likely destroy the transistor.

6 Watt RF Amplifier layout diagram


Schematic 6 Watt RF Amp Schematic


Parts List

Quantity Description Part Number(s)
2 470 pF mica capacitor C1, C5
1 75 pF mica capacitor C2
1 39 pF mica capacitor C3
1 12 pF mica capacitor C4
2 0.001 uF disc or monolythic capacitor (marked either 102, .001, or 1n) C6, C8
2 0.1 uF disc or monolythic capacitor (marked either 104, .1, or 100n) C7, C9
1 10 to 22 uF electrolytic capacitor (observe correct polarity) C10
1 1 turn #18 tinned copper, 1/4" dia. L1
1 1 uH inductor, blue lumpy item L2
1 2 turns #18, 1/4" dia. L3
1 7/10" #14, hairpin L4
2 5 turns #20, 1/4" dia. L5, L6
1 56 ohm resistor with ferrite bead over lead at the base of end of Q1 R1
1 2SC1971 RF transistor Q1
2 SO239 socket  
2 banana plug (1 each red and black)  
2 banana socket (1 each red and black)  
1 ferrite bead  
4 4-40 nuts  
4 4-40 bolts  
  RG174 coaxial cable  
  hookup wire  
  soldering lugs  

Hosted by www.Geocities.ws

1