Lineal de 65 watt para FM
Het schema toegelicht :
De 65 Watt lineair voor de 3 meter die ik nu zal gaan beschrijven werkt op vol vermogen bij een insturing van ongeveer 20 Watt. Om de resultaten van de verschillende instuur vermogens snel te overzien heb ik een speciaal grafiekje bij dit schema toegevoegd waarin alles netjes aangegeven staat. Deze lineair werkt gewoon op de "normale" voedingsspanning van 13,8 Volt en de gehele schakeling trekt ongeveer 7 a 8 ampère (maximaal 8,25 ampère). Door de verschillende ontkoppelingen in het schema is oscilleren bijna onmogelijk geworden. Ook is het een vermelding waard dat de harmonische demping beter is dan 45 dB. Het afregelen van deze zender gebeurd natuurlijk weer op een dummyload en een SWR Power meter. De BLY 90 moet men overigens wel goed koelen met een koelprofiel van minimaal 0,8º/W. en het geheel moet gemonteerd worden met koelpasta. Ook is extra koeling door middel van een blower zeer gewenst.
Het grafiekje :
De volgende metingen zijn behaald door Music Sound Oss welke de BLY 90 instuurde met de BLY 88 die maximaal 20 Watt uitstuurde.
Sorry grafiekje is nog niet beschikbaar in deze versie kijk voor de laatste updates op m'n homepage : http://www.dra.nl/~pulsarfm
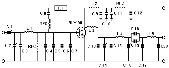
Het schema :

De print lay-out :
Sorry de print lay-out is nog niet beschikbaar in deze versie kijk voor de laatste updates op m'n homepage : http://www.dra.nl/~pulsarfm
De Componenten opstelling :
Sorry de componenten opstelling is nog niet beschikbaar in deze versie kijk voor de laatste updates op m'n homepage : http://www.dra.nl/~pulsarfm
Componenten :
Weerstanden :
R1 10E ½Watt
Condensatoren :
C1,C2 40 pF VARIABEL
C3 15 pF
C4,C5,C6,C7 100 pF
C8 470nF Mkt Condensator
C9 1nF
C10 470 pF
C11 47 mF / 16 V
C12 470 pF
C13 47 pF
C14 60 pF VARIABEL
C15 56 pF
C16 60 pF VARIABEL
C17,C20 22 pF
C18,C19 470 pF
Transistoren :
BLY 90
Overigen :
L1 3 WINDINGEN MET 1mm. DIK DRAAD OM EEN AS VAN 7 mm. MET SPATIES VAN 1 mm.
L2 3 WINDINGEN MET 1mm. DIK DRAAD OM EEN AS VAN 5 mm. MET SPATIES VAN 1 mm.
L3 STROOKJE MESSING OF KOPER CIRCA 0,5 mm. DIK EN 5 mm. BREED. (ZIE FIGUUR 1)
L4 3 WINDINGEN MET 1mm. DIK DRAAD OM EEN AS VAN 7 mm. MET SPATIES VAN 1 mm.
L5 4 WINDINGEN MET 0,8MM. DIK DRAAD OM EEN AS VAN 7 mm. MET SPATIES VAN 1 mm.
RFC 1 BESTAAT UIT 15 WINDINGEN GEEMAILEERD KOPERDRAAD MET EEN DOORSNEDE VAN 0,5 mm. GEWIKKELD OM EEN KOOLWEERSTAND VAN 47E EN ½WATT.
RFC 2 BESTAAT UIT EEN SPOEL VAN 0,22mH
RFC 3 BESTAAT UIT EEN 6 GATS VARKENSSNUITJE