![]() |
COLEGIO MARIA LUISA BOMBAL DEPTO DE CIENCIAS NATURALES FISICA CONTENIDOS 4to Año Medio (Común) Profesor: Alipio Rojas Cabezas |
![]() |
|
(Actualización 01 de Julio 2009)
CAPACIDAD ELECTRICA, CONDENSADORES Y ENERGIA DE UN CONDENSADOR
CAPACIDAD ELECTRICA
En mecánica hablamos de la capacidad de un recipiente para referirnos a su volumen interno, que puede ser ocupado por otro material, en electrostática hablaremos de capacidad eléctrica "C" (o capacitancia), para referirnos a la propiedad que poseen algunos cuerpos para retener o almacenar durante cierto tiempo una carga eléctrica, sin que esta se neutralice (algo así como, "sin que el líquido se derrame")
Los cuerpos que presentan esta propiedad en forma acentuada se denominan condensadores o capacitores, aún cuando, en la práctica, se llaman propiamente así a los dispositivos que se construyen con conductores aislados entre sí y de los cuerpos que los rodean
Se define la capacidad C de un cuerpo electrizable a la razón entre la carga Q que este puede almacenar y el potencial V que adquiere con dicha carga :
C = Q / V
A partir de esta relación, podemos definir las unidades de capacidad:
La unidad SI de capacidad es el faradio ( f )
faradio = Coulomb / Volt ; en símbolos f = C / V
Se dice que un cuerpo electrizable tiene una capacidad de un faradio, si cargado con un coulomb adquiere el potencial de un volt
En el sistema CGS, la unidad de medida es el statfaradio ( stf )
Statfaradio = statcoulomb / statvolt en símbolos stf = stC / stV
Como, tanto el faradio como el statfaradio son unidades muy grandes, en la práctica se emplean submúltiplos del faradio:
el microfardio ( µf ) 1 µf = 10-6 f
nanofaradio ( nf ) 1 nf = 10-9 f
picofaradio ( pf ) 1 pf = 10-12 f
1 f = 9 x 10 11 stf
CAPACIDAD DE UNA ESFERA CONDUCTORA
Como ya sabemos, el potencial de una esfera es conductora es V = k Q / R
Y sustituyendo este valor en la ecuación de capacidad : C = Q / V , se obtiene
C = Q / ( k Q / R )
De donde se obtiene que C = 1 / k * R
De donde se concluye que la capacidad de una esfera conductora es proporcional a su radio.
En el sistema CGS, donde el valor de la constante k es 1 dyn cm2 / stC2 , resulta que C = R; es decir, la capacidad de una esfera conductora en unidades CGS es numéricamente igual a su radio. Es por esta razón que también se define el statfaradio como la capacidad que pose una esfera conductora aislada de un centímetro de radio
Ejemplos
1.- Determinar la capacidad de una esfera conductora de 5 centímetros de radio.
Datos Fórmula Desarrollo
C = ? C = 1/k R C = 5 cm / (dyn cm2 / stC2 )
R = 5 cm C = 5 stf
k = 1 dyn cm2 / stC2
Si queremos expresar el resultado en faradios, basta con dividir el resultado obtenido por 9x1011, con lo que nos queda que la capacidad es C = 5/9 x10-11 f
2.- ¿ Qué carga puede almacenar un condensador de 8 microfaradios se se aplica entre sus extremos una diferencia de potencial de 2.000 volt ?
Datos Fórmula Desarrollo
Q = ? C = Q / V Q = 8 x 10-6 ( f ) * 2 x103 ( V )
C = 8 µf Q = C * V Q = 1,6 x10-2 ( f V )
V = 2.000 ( V ) Q = 1,6 x10-2 ( C )
3.- ¿Qué potencial adquiere una esfera de 0,06 faradios de capacidad, cuando se carga con 12 ( C) ?
Datos Fórmula Desarrollo
V = ? C = Q / V V = 12 ( C ) / 0,06 ( f )
C = 0,06 ( f ) V = Q / C V = 2 x10 2 ( C/ f )
Q = 12 ( C ) V = 2 x10 2 ( V )
CONDENSADORES (CAPACITORES)
Se llama condensador o capacitor, al conjunto formado por dos conductores, de forma
variable, generalmente láminas planas, separados por un aislante o dieléctrico, que almacena carga
Cada uno de los conductores constituyen las armaduras del condensador. La armadura que recibe las cargas eléctricas se llama colector o armadura colectora, y la otra es el condensador o armadura condensadora
Las armaduras son generalmente láminas o placas metálicas como discos metálicos y láminas de papel de estaño
La capacidad de un condensador de caras planas y paralelas depende de factores tales como: el área de las armaduras, la distancia o separación entre ellas, forma y naturaleza del dieléctrico
La capacidad de un condensador es :
1.- directamente proporcional al área de las placas. A mayor área, mayor capacidad
2.- inversamente proporcional a la distancia de separación entre las placas del condensador. A mayor separación, menos carga se almacena.
3.- directamente proporcional al poder aislante del material dieléctrico ubicado entre sus placas. Mientras mayor sea el poder aislante del dieléctrico, mayor será la capacidad del condensador
A partir de lo anterior se concluye que la capacidad de un condensador plano de caras paralelas puede calcularse con la ecuación:
donde
corresponde al poder aislante del material
dieléctrico.
en que k es la constante
dieléctrica del dieléctrico, que es característico para
cada material , y
es la
permitividad eléctrica del vacío
La constante dieléctrica del aire en condiciones normales puede considerarse igual a la del vacío que es 1.
A continuación se entregan valores de algunos valores de constantes dieléctricas medidas a temperatura ambiente
| Sustancia | Valor de k |
| Mica | 6 |
| Porcelana | 6 a 7 |
| Agua | 80 a 83 |
| Petróleo | 2 |
| Aire (seco) | 1,0006 |
| Papel parafinado | 2 |
| Glicerina (a 15°C) | 56 |
| Vidrio . | 6 a 10 |
| Caucho (goma) | 6,7 |
| Papel | 3,7 |
| Poliestireno (plástico) | 2,56 |
| Vacío | 1 |
| Titanio de estroncio | 233 |
Como ya hemos dicho, la constante dieléctrica de un material aislante es la relación que existe entre la capacidad de un condensador con ese dieléctrico y la del mismo condensador, de iguales características, pero sin el dieléctrico.
Que la constante dieléctrica de un material, por ejemplo la mica, sea 6, significa que la capacidad de un condensador que tenga mica como dieléctrico, aumenta 6 veces en relación con la capacidad que tiene otro condensador, de iguales características, cuando entre sus láminas se ha hecho el vacío.
Aun cuando a primera vista parezca que la carga que puede contener un condensador será todo lo grande que uno quiera, esto no es así. Al ser la capacidad C, una constante del condensador, si la carga Q aumenta, la tensión V entre los extremos del condensador aumentará proporcionalmente y este aumento de tensión entre las armaduras provoca un aumento de la intensidad del campo eléctrico que llega a ser tan grande que produce una descarga entre las armaduras, y el condensador no solo se descarga sino que se inutiliza.
Cuando la diferencia de potencial entre las armaduras de un condensador sobrepasa cierto límite, se produce la descarga del condensador a través del dieléctrico perforándolo.
Pues bien, se llama rigidez dieléctrica de un material a la mínima diferencia de potencial necesaria para que se produzca una descarga a través de ese material entre dos armaduras cuya separación es de un centímetro. La rigidez dieléctrica varía de un material a otro.
Algunos valores de rigidez dieléctrica de algunos materiales son los siguientes:
Dieléctrico Valor en kV/cm
Aire .................................................... 30
Papel parafinado ..................................300 a 500
Mica ....................................................300 a 700
Vidrio ...................................................300 a 1600
De acuerdo con los conceptos que acabamos de definir, un condensador será tanto mejor, cuanto mayor sea su constante dieléctrica, puesto que su capacidad será mayor, y cuanto más elevada sea su rigidez dieléctrica, puesto que soportará mayores tensiones
ENERGIA DE UN CONDENSADOR CARGADO
la energía de un condensador cargado viene dada por la relación:
E = 1 / 2 Q V , la que también se puede escribir como:
E = Q2 / 2 C o E = 1 / 2 C V2
CONEXION O ACOPLAMIENTO DE CONDENSADORES
Se define la capacidad equivalente (Ce) de un circuito o acoplamiento de condensadores a la capacidad del condensador que reemplaza a todos los condensadores presentes en el circuito.
Cuando interesa obtener una capacidad mayor que la de los condensadores disponibles, conviene conectar los condensadores en paralelo. En este caso la diferencia de potencial (voltaje) es la misma para todos los condensadores del circuito (fig.1)
En un acoplamiento de condensadores en paralelo se cumple que la capacidad equivalente Ce es igual a la suma de las capacidades de cada uno de los condensadores presentes, es decir:
En relación a la carga que almacena el condensador equivalente Qt esta es igual a la suma de las cargas que almacena cada condensador
Cuando se quiere obtener una determinada capacidad bajo una tensión o diferencias de potencial mayor que la que puede soportar un condensador dado, se conectan varios condensadores en serie (fig 2)
En este tipo de montajes, la diferencia de potencial entre la primera armadura del primer condensador y la segunda del último, es igual a la suma de las diferencias de potencial entre los condensadores asociados.
La carga Q es igual para cada uno de ellos, puesto que como la parte punteada está aislada del resto, si en la armadura de la derecha hay una carga positiva Q, en la izquierda habrá una carga negativa -Q. ( puesto que, como sabemos, en un condensador ambas armaduras tienen la misma cantidad de carga pero de signo contrario)
El inverso de la capacidad equivalente (1/Ce) en una agrupación de condensadores en serie, es la suma de los inversos de las capacidades de los condensadores asociados, es decir:
o bien,
También es posible conectar los condensadores en forma mixta, tal como se muestra en la fig.3.
Para encontrar la capacidad equivalente en este tipo de conexiones se resuelven los circuitos en paralelo y luego los circuitos en serie, o viceversa, dependiendo de lo que sea más conveniente en relación al cálculo
Se tiene el siguiente circuito de condensadores
1.- Determine la capacidad equivalente del circuito:
Lo primero que debemos hacer es identificar los tipos de conexiones que tenemos en este circuito mixto
Solución 1.-
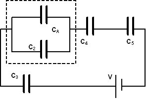
Los condensadores C1 y C6 se encuentran en serie, y ambos están en paralelo con el condensador C2 y este conjunto se encuentra en serie con el resto de los condensadores del circuito.
Entonces para resolver este circuito procederemos de la siguiente manera:
a.- primero encontramos la capacidad equivalente entre C1 y C6 y a la que llamaremos CA
Estos condensadores se encuentran en serie, luego:
1/CA = 1/C1 + 1/C6
1/CA = 1 / 4 + 1 / 8
1/CA = 3 / 8
CA = 8 / 3
CA = 2,66 nf
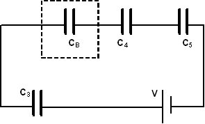
y el circuito nos queda de la forma:
b.- con este resultado encontramos la capacidad equivalente del circuito en paralelo, a la que llamaremos CB
Estos condensadores se encuentran en paralelo, entonces:
CB = CA + C2
CB = 2, 66 + 5
CB = 7,66 nf
El circuito ahora nos queda:
c.- por último, con estos dos resultados CA y CB y el resto de los condensadores, que se encuentran en serie, determinamos la capacidad equivalente del circuito
1/Ce = 1/CB + 1/C4 + 1/C5 + 1/C3
1/Ce = 1/ 7,66 + 1/ 7 + 1/ 3 + 1/ 2
1/Ce = 0,13 + 0,14 + 0,33 + 0,5
1/Ce = 1,1
Ce = 1/ 1,1
Ce = 0,9 nf
Por lo que el circuito final nos queda
2.- ¿Cuál es la carga que almacena el condensador C4 ?
En un circuito en serie, de acuerdo con la Ley de Ohm, se cumple que:
* La carga que circula por el circuito es la misma que circula por cada condensador:
Qt = Q1 = Q2 = Q3 .
* El voltaje total del circuito es la suma de los voltajes de cada uno de los condensadores
Vt = V1 + V2 + V3 .
En un circuito en paralelo se cumple que:
*La carga total del circuito es la suma de las cargas circula por cada condensador:
Qt = Q1 + Q2 + Q3 .
*El voltaje total del circuito es igual a los voltajes de cada uno de los condensadores
Vt = V1 = V2 = V3 .
Solución 2.-
Como en un circuito en serie la carga es la misma en cada uno de los condensadores, calculemos la carga total del circuito a partir del voltaje y la capacidad equivalente
Qt = Ce V Qt = 0,9 * 24 ( nf V ) Qt = 21,6 ( nC )
Q4 = 21,6 ( nC )
3.- ¿Cuál es el voltaje del condensador C2 ?
Solución 3.-
El voltaje del condensador C2 es el mismo que el del condensador CA , porque están en paralelo, de tal manera que para conocer su valor debemos calcular el voltaje en el condensador CB
VB = QB / CB VB = 21,6 / 7,66 VB = 2,81 ( V )
4.- ¿Cuál es la energía almacenada por el condensador C5 ?
Solución 4.-
Como conocemos la carga y la capacidad de ese condensador, empleamos la ecuación que contiene a estas dos variables
E = Q2 / 2 C E = ( 21,6 nC)2 / 2 * 3 nf
E = 466,56 (nC)2 / 6 nf
E = 77,76 ( nJ )